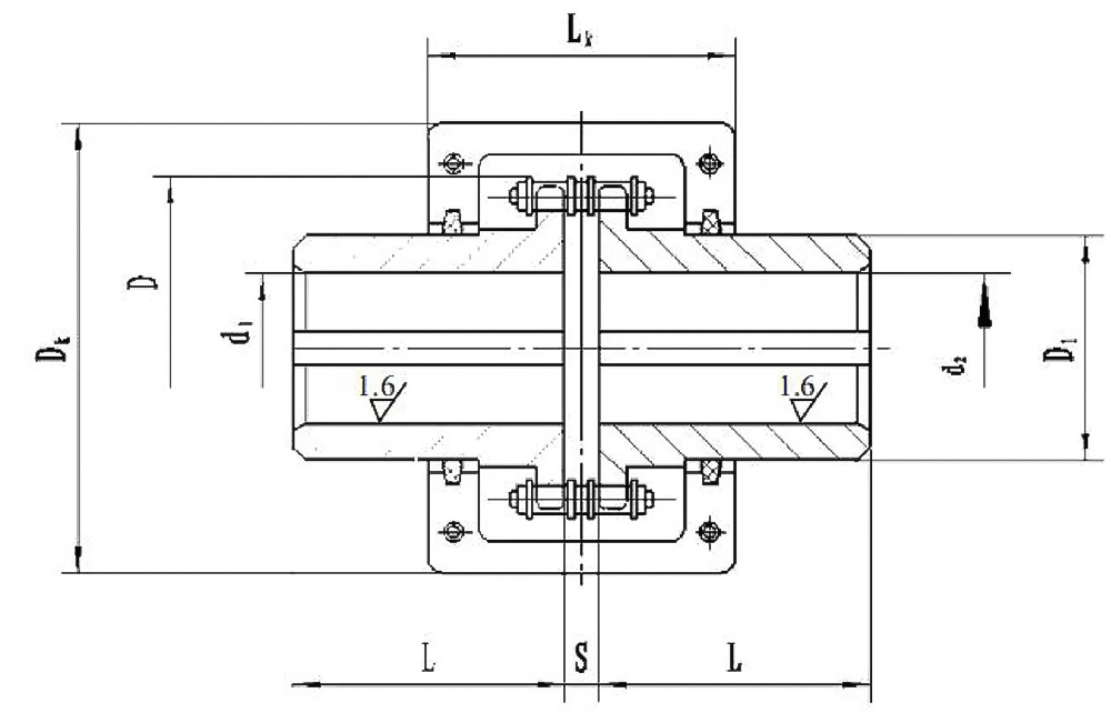
KC jenis roller rantai coupling(Q/YL 17032X-2018)

Beranda / Produk / Kopling Fleksibel dengan Elemen Non-Elastis / KC jenis roller rantai coupling(Q/YL 17032X-2018)
KC jenis roller rantai coupling(Q/YL 17032X-2018)

KC jenis roller rantai coupling(Q/YL 17032X-2018)

Introduction: Kopling rantai rol KC adalah sistem kopling mekanis serbaguna dan andal yang dirancang untuk menyalurkan torsi antara dua poros sekaligus mengakomodasi ketidaksejajaran dan getaran puntir. Ini direkayasa untuk memenuhi kebutuhan yang menuntut dari berbagai aplikasi industri, memberikan kinerja yang kuat, daya tahan, dan kemudahan perawatan.

Fitur Utama:

  • Desain Rantai Roller: Kopling ini menggunakan rantai roller sebagai elemen intinya, menawarkan kemampuan transmisi torsi tinggi dengan reaksi minimal. Desain rantai rol memastikan transmisi daya yang lancar dan mengurangi keausan, sehingga meningkatkan umur panjang kopling.
  • Fleksibilitas: Kopling rantai rol KC unggul dalam mengkompensasi ketidaksejajaran sudut dan paralel antara poros yang terhubung. Fleksibilitas ini sangat penting dalam aplikasi di mana penyelarasan yang tepat merupakan tantangan atau dapat berubah karena kondisi operasional.
  • Peredaman Getaran Torsional: Dengan fleksibilitas yang melekat, kopling KC secara efektif meredam getaran puntir, meminimalkan tekanan pada komponen mesin yang terhubung dan memperpanjang masa operasionalnya. Fitur ini meningkatkan keandalan sistem secara keseluruhan dan mengurangi kebutuhan pemeliharaan.
  • Ketahanan Korosi: Diproduksi dari bahan berkualitas tinggi seperti stainless steel atau baja yang dikeraskan, kopling rantai rol KC menawarkan ketahanan yang sangat baik terhadap korosi dan keausan, memastikan kinerja yang andal bahkan di lingkungan operasi yang keras.
  • Instalasi dan Perawatan Mudah: Desain kopling yang sederhana dan ringkas memfasilitasi prosedur pemasangan dan pemeliharaan yang mudah, mengurangi waktu henti dan biaya terkait. Tugas pemeliharaan rutin biasanya melibatkan pelumasan dan penyesuaian tegangan rantai sesekali.
  • Berbagai Ukuran dan Konfigurasi: Kopling rantai rol KC tersedia dalam berbagai ukuran dan konfigurasi untuk mengakomodasi beragam persyaratan torsi dan kecepatan di berbagai industri dan aplikasi. Kemampuan beradaptasi ini membuatnya cocok untuk digunakan di berbagai sektor industri, termasuk manufaktur, pertambangan, pertanian, dan pembangkit listrik.

Aplikasi:

  • Sistem Konveyor
  • Penggemar dan Blower Industri
  • Pompa dan Kompresor
  • Packaging Machinery
  • Peralatan Penanganan Material
  • Mesin Pertanian
  • Peralatan Pertambangan
  • Pengolahan Kertas dan Pulp

Kesimpulan: Kopling rantai rol KC berdiri sebagai solusi yang dapat diandalkan untuk mentransmisikan torsi di lingkungan industri yang menuntut. Desainnya yang inovatif, ditambah dengan konstruksi yang kuat dan karakteristik kinerja yang unggul, menjadikannya pilihan yang disukai bagi para insinyur dan profesional pemeliharaan yang mencari solusi kopling yang efisien dan andal untuk mesin dan peralatan mereka. Dengan kemampuannya mengakomodasi ketidaksejajaran, meredam getaran, dan menahan kondisi pengoperasian yang keras, kopling rantai rol KC terus memainkan peran penting dalam mengoptimalkan kinerja dan umur panjang sistem industri di seluruh dunia.

  • KC jenis roller rantai coupling(Q/YL 17032X-2018)
Parameter Produk
Kirim Pesan
Zhongye Heavy Industry Technology (Zhenjiang) Co., Ltd.
Zhongye Heavy Industry Technology (Zhenjiang) Co., Ltd.

Zhongye Heavy Industry Technology (Zhenjiang) Co, Ltd. terletak di kota kuno yang terkenal, Zhenjiang. Kami adalah perusahaan yang mengintegrasikan Litbang, manufaktur, dan penjualan. Produk kami banyak digunakan dalam peralatan metalurgi, peralatan pertambangan, peralatan air, peralatan pengangkat, peralatan kertas, peralatan pelabuhan, dan industri lainnya.
Produk utama kami adalah kopling bergigi, kopling pin kolom lengan elastis, kopling pin kolom elastis, kopling gigi dengan pin elastis, kopling universal, kopling ban, kopling rahang, kopling bintang, kopling diafragma, kopling drum dan kopling grid, kopling Oldham, kopling flensa, kopling shell klip, kopling rantai rol tipe GL dan kopling pengaman, dan sebagainya. Perusahaan kami juga melakukan berbagai desain dan manufaktur kopling non - standar.
Bengkel baru meliputi area seluas sekitar 16463,52 m². bengkel berat 5.500 m², Bengkel presisi 4.600 m², gedung perkantoran dan gimnasium 2000 m², Ruang makan 500m², Gudang 1000 m², Jalan, penghijauan, area parkir 3563 m².

Lihat lebih
Berita & Acara
PEMBARUAN BERITA
  • 2026.04.24
    Bagaimana Kopling Safety Breakaway Mengurangi Resiko dan Biaya?
    Setiap operasi perpindahan cairan dalam jumlah besar mempunyai risiko yang melekat: apa yang terjadi jika sambungan terputus secara tidak terduga? SEBUAH kopling pengaman yang memisahkan diri menjawab pertanyaan tersebut sebelum insiden terjadi — dengan merekayasa titik kegagalan yang disengaja dan terkendali yang melindungi personel, peralatan, dan lingkungan secara bersamaan. Mendefinisikan Kopling Breakaway Keselamatan Kopling breakaway pengaman (SBC) — juga disebut sebagai Kopling Pelepas Darurat (ERC) atau Kopling Breakaway (BAC) — adalah perangkat keselamatan yang dipasang di dalam saluran selang, lengan pemuatan, atau sistem transfer cairan. Ini bertindak sebagai titik perpisahan yang telah diidentifikasi dan dirancang sebelumnya, yang terpisah di bawah beban tarik atau sudut tertentu, mencegah konsekuensi yang jauh lebih merusak dari pecahnya selang, robeknya manifold, atau tumpahan produk yang tidak terkendali. Definisi teknis: Kopling pengaman yang memisahkan diri adalah komponen pengaman pasif atau aktif yang terletak di jalur transfer produk yang terpisah pada beban putus atau jarak pemisahan relatif yang telah ditentukan. Setiap bagian terpisah berisi katup penutup otomatis yang menutup secara otomatis setelah pemutusan sambungan — menghilangkan kemungkinan pelepasan produk, kebakaran, ledakan, atau pencemaran lingkungan dari kedua sisi kerusakan. Tekanan operasi standar hingga 21 batang ; suhu pengoperasian berkisar dari −196 °C hingga 275 °C tergantung varian. Dalam istilah rekayasa praktis, kopling yang memisahkan diri adalah mata rantai terlemah dalam sistem transfer – namun merupakan hal yang disengaja. Dengan merekayasa titik putus, perancang memastikan bahwa setiap komponen lain dalam saluran – selang, lengan pemuatan, sambungan pompa, dan penyangga struktural – terhindar dari beban bencana. Kopling menyerap peristiwa tersebut; infrastruktur bertahan. Jenis Kopling Pemisah Pengaman Kopling pengaman yang memisahkan diri bukanlah kategori produk monolitik. Varian tersedia untuk mengatasi lingkungan operasional, jenis cairan, dan persyaratan aktivasi yang berbeda. Tiga tipe utama adalah industri, kelautan, dan kriogenik — masing-masing dengan sub-varian untuk aplikasi spesifik. Kopling Pemisahan Industri Dipasang dengan salah satu ujungnya dipasang pada manifold, pipa, atau depot Melepaskan pada sudut mana pun dari 0° hingga 90° Cocok untuk perjalanan tanker jalan raya dan pemuatan gerbong kereta Dapat menahan beban samping yang ekstrim tanpa pelepasan dini Kekuatan putus tidak bergantung pada tekanan saluran Meliputi minyak bumi, bahan kimia, gas, bahan makanan Kopling Pemisahan Laut Selang tengah dipasang di antara dua rangkaian selang fleksibel Melepaskan hanya dengan tarikan lurus saja — bukan gaya sudut Dirancang untuk transfer kapal-ke-kapal dan kapal-ke-platform Melindungi terhadap penyimpangan kapal dan kejadian pecahnya kapal tanker Desain kelopak-katup atau flip-flap untuk penutupan tanpa tumpahan Tersedia dalam ukuran hingga 12 inci Kopling Pemisahan Kriogenik Direkayasa untuk LNG, LN₂, LPG, dan cairan kriogenik lainnya Bahan penyegel suhu rendah khusus dan varian FKM Tersedia dalam versi industri (tetap) atau kelautan (selang tengah). Pelepasan kabel atau aktivasi pin putus Cocok untuk penggunaan bunker, pengisian bahan bakar, dan pemuatan lengan Suhu pengoperasian hingga −196 °C Sub-kategori lanjutan lainnya — the Kopling Pelepasan Darurat Daya (PERC) — digunakan dalam aplikasi terminal LNG. Dalam keadaan darurat, gas nitrogen mengisi rongga pada kopling, sehingga dengan aman menekan baut penahan. Sistem PERC menawarkan tiga mode aktivasi: pelepasan melalui sinyal ESD (Perangkat Pematian Darurat), penggantian manual yang tidak bergantung pada sinyal listrik, atau pelepasan pasif otomatis jika daya sistem mati seluruhnya — berfungsi sebagai kopling pemisah standar dalam skenario tersebut. Cara Kerja Kopling Safety Breakaway Terlepas dari peran keselamatannya yang penting, sebagian besar kopling pemisah keselamatan beroperasi melalui prinsip mekanis yang jelas. Memahami urutan kejadian selama aktivasi sangat penting untuk spesifikasi, instalasi, dan respons pasca kejadian yang benar. Servis Normal — Mengalir Melalui Kedua Bagian Kopling terdiri dari dua bagian, masing-masing memiliki katup penutup internal (desain poppet, flip-flap, atau kelopak). Dalam pengoperasian normal, kedua katup tetap terbuka dan produk mengalir bebas melalui rakitan. Baut pemecah atau pin geser menghubungkan kedua bagian, dikalibrasi dengan persyaratan gaya putus spesifik pada pemasangan. Beban Berlebihan yang Diterapkan — Geser Baut Ketika peristiwa tarikan, tarikan, atau penyimpangan memberikan gaya yang melebihi ambang batas putus yang dirancang, baut geser akan rusak. Dalam kopling industri, hal ini dapat terjadi pada sudut mana pun antara 0° dan 90°. Kopling laut dirancang untuk menahan beban sudut — kopling ini hanya dapat dilepaskan pada tegangan aksial lurus, sehingga mencegah aktivasi yang salah dari kapal yang terguling atau membengkak. Penutupan Katup Ganda Sesaat Setelah pemutusan darurat, kopling terpisah dan kedua katup segera menutup. Penutupan ganda ini merupakan fungsi keselamatan yang sangat penting: menutup produk di kedua sisi celah, mencegah tumpahan, risiko kebakaran, dan pelepasan ke lingkungan, terlepas dari pihak mana yang bergerak — kapal, kapal tanker, atau rakitan selang. Reset Bidang dan Kembali ke Layanan Setelah insiden teratasi, kopling dapat disetel ulang di lapangan, biasanya dalam hitungan menit dan tanpa alat khusus. Baut geser pengganti dipasang, katup internal dibuka kembali secara manual, dan kedua bagian disambungkan kembali. Hanya baut yang disetujui pabrikan yang boleh digunakan, karena pengencang purnajual dapat mengubah gaya putus yang dikalibrasi dan membatalkan sertifikasi. Kopling Breakaway vs. Kopling Pelepasan Darurat Istilah-istilah ini sering digunakan secara bergantian, namun mewakili spesifikasi produk yang sangat berbeda. Dua keputusan penting diperlukan saat menjalankan sistem transfer keselamatan: apakah akan memasang Kopling Breakaway (BAC) atau Kopling Pelepas Darurat (ERC), dan spesifikasi sistem yang dipilih. Perangkat Pasif Kopling Breakaway (BAC) Aktivasi mekanis murni — tidak memerlukan sumber daya Melepaskan secara otomatis ketika beban putus terlampaui Tidak diperlukan intervensi operator Biaya modal lebih rendah dan pemasangan lebih sederhana Tidak dapat dipicu dari jarak jauh atau dilepaskan secara preemptif Ideal untuk pemuatan kapal tanker jalan raya, pengiriman ke kapal, dan manifold industri Setel ulang hanya dengan baut geser pengganti Perangkat Aktif / Hibrida Kopling Pelepasan Darurat (ERC) Dapat dipicu dari jarak jauh melalui sinyal ESD, HPU, atau kabel Berbagai mode aktivasi: failsafe otomatis, manual, dan pasif Terintegrasi dengan sistem kontrol ICSS dan FPSO Versi lanjutan mendukung pemantauan kondisi waktu nyata Dapat juga digunakan untuk pemutusan selang yang terkontrol dan terencana Penting untuk bunkering LNG, FPSO, dan terminal dengan bahaya tinggi Membutuhkan pemeliharaan sistem hidrolik secara berkala Penting: Dalam operasi FPSO, ERC tidak menggantikan kopling laut yang memisahkan diri. MBC masih harus dipasang sebagai perlindungan utama terhadap kejadian-kejadian mendesak seperti pecahnya kapal tanker. ERC memberikan kemampuan pelepasan terkontrol tambahan ketika pompa telah dihentikan dan diperlukan pemutusan sambungan yang direncanakan. Mekanisme Aktivasi Metode yang digunakan kopling pemisah keselamatan untuk mendeteksi dan merespons kondisi berbahaya sangat bervariasi antar rangkaian produk. Memahami pilihan yang tersedia menginformasikan keputusan pemilihan. Pin Pecah / Baut Geser Mekanisme yang paling umum dan andal. Tiga atau lebih baut geser eksternal menghubungkan kedua bagian kopling. Ketika tegangan aksial atau sudut melebihi nilai geser gabungan, baut akan rusak secara bersamaan, memicu pemisahan dan penutupan katup. Gaya putus tidak bergantung pada tekanan saluran dan gaya lateral — karakteristik kinerja penting yang mencegah transien tekanan menyebabkan aktivasi yang salah. Pelepasan Kabel Kabel baja tahan karat dipasang di antara kopling dan titik jangkar tetap. Ketika kopling bergerak melampaui jarak yang ditentukan — karena selang telah mencapai ujung perjalanannya — kabel menarik mekanisme pelepasan, memicu pemisahan terkontrol sebelum ambang batas beban putus baut geser tercapai. Hal ini memberikan intervensi yang lebih awal dan lebih lembut dalam insiden perjalanan pulang pergi. Unit Tenaga Hidraulik / Pneumatik (HPU) ERC tingkat lanjut digerakkan oleh tekanan hidrolik atau pneumatik yang disuplai oleh HPU khusus. Panel kontrol HPU tunggal dapat berinteraksi dan melepaskan beberapa ERC secara bersamaan di terminal atau dek FPSO. Sistem otomasi memungkinkan pemicuan pemutusan ERC dari jarak jauh sebagai respons terhadap sinyal ESD, deteksi gas, sistem kebakaran, atau aktivasi konsol manual. Aplikasi di Seluruh Industri Kopling pengaman yang memisahkan diri digunakan di mana pun selang atau lengan pemuatan dapat mengalami tegangan yang tidak direncanakan. Penerapannya mencakup berbagai sektor mulai dari infrastruktur konsumen sehari-hari hingga fasilitas produksi energi dan bahan kimia yang penting. Pengeluaran Bahan Bakar Ritel Kopling yang dapat dilepas pada selang halaman depan stasiun pengisian bahan bakar mencegah pompa terlepas dari wadahnya jika kendaraan melaju saat nosel masih terhubung. Katup si kecil terintegrasi segera menutup, mencegah tumpahan bahan bakar dan risiko penyalaan. Tanker Jalan & Pemuatan Rel SBC industri yang dipasang pada terminal lengan pemuatan melindungi infrastruktur depo dari insiden berkendara. Dengan pelepasan multi-sudut dari 0° hingga 90°, mereka aktif terlepas dari arah kendaraan berangkat. Transfer Minyak Lepas Pantai Kopling pemisah laut tertanam dalam rangkaian selang fleksibel antara FPSO dan kapal tanker ulang-alik. Produk ini melindungi terhadap pecahnya bejana, kejadian lonjakan tekanan ekstrem, dan pelepasan selang yang tidak terkendali selama operasi pemindahan minyak mentah dan kondensat. Pabrik Kimia & Petrokimia Menyambungkan dan melepaskan selang fleksibel yang membawa bahan kimia korosif, beracun, atau mudah terbakar menimbulkan risiko tumpahan berulang kali. SBC memberikan lapisan keamanan yang andal untuk transfer proses ke tanker, pengumpanan reaktor, dan sambungan selang antar unit. Bunker & Terminal LNG ERC dan PERC kriogenik diwajibkan di stasiun bunkering kapal-ke-kapal LNG dan terminal LNG berbasis pantai. Pedoman praktik terbaik industri menetapkan bahwa kopling pemisah yang terletak di sistem transfer metanol atau LNG harus memiliki katup penutup yang dapat menutup sendiri pada setiap bagian yang terpisah. Makanan, Minuman & Farmasi Kopling pemisah keselamatan tingkat higienis dalam baja tahan karat yang dienkapsulasi PTFE atau dipoles secara elektro digunakan dalam pemrosesan makanan dan manufaktur farmasi, di mana persyaratan kemurnian produk sama beratnya dengan persyaratan keselamatan. "Kopling pengaman yang memisahkan diri adalah titik kegagalan yang direkayasa - dirancang untuk memisahkan ketika beban gaya diterapkan atau ketika selang mencapai ujung perjalanannya. Fungsinya terutama untuk melindungi selang dan pipa dari kerusakan yang lebih permanen." Ikhtisar Parameter Teknis Tabel berikut merangkum cakupan teknis umum untuk kopling pengaman terpisah yang tersedia secara komersial di seluruh kategori produk utama. Nilai spesifik proyek harus dikonfirmasikan dengan produsen atau distributor terakreditasi. Parameter SBC Industri SBC Kelautan ERC kriogenik Kisaran ukuran 1″ – 6″ (DN25–DN150) 2″ – 12″ (DN50–DN300) 1″ – 8″ (DN25–DN200) Tekanan operasi maksimal Hingga 25 bar Hingga 21 bar (khusus aplikasi) Khusus aplikasi Kisaran suhu −40 °C hingga 150 °C −20 °C hingga 100 °C −196 °C hingga −40 °C Sudut pelepasan 0° – 90° 0° (hanya sebaris) 0° – 90° atau sebaris Aktivasi Pelepas baut/kabel geser Baut geser/klep kelopak Kabel / hidrolik HPU / ESD Jenis katup Poppet, bola, atau cakram Kelopak, flip-flap, atau poppet Flip-flap / popet kriogenik Bahan tubuh Al, SS316, baja karbon SS316, Dupleks, paduan Ni SS316L, paduan suhu rendah Bahan segel NBR, EPDM, FKM, PTFE FKM, EPDM, PTFE FKM suhu rendah, PTFE Atur ulang waktu Menit; tidak ada alat khusus Menit (penggantian baut) Perbaikan bengkel direkomendasikan Jenis koneksi NPT, BSP, flensa ANSI, DIN Flensa ANSI, Victaulic, persiapan las Flensa ANSI, persiapan las Memilih Kopling Breakaway Keselamatan yang Benar Pemilihan yang salah adalah penyebab utama aktivasi prematur (kehilangan produk dan produksi) dan kegagalan aktivasi (kerusakan peralatan, tumpahan, atau cedera). Kriteria berikut harus dievaluasi secara sistematis. Jenis aplikasi: Industri (titik tetap, multi-sudut) atau Kelautan (selang tengah, hanya inline). Kesalahan spesifikasi antara kedua kategori ini adalah kesalahan pemilihan yang paling umum. Kekuatan putus: Harus disetel di bawah komponen terlemah dalam sistem transfer, namun di atas beban dinamis maksimum yang diharapkan dalam kondisi pengoperasian normal — termasuk ekspansi termal, getaran, kekakuan selang, dan gerakan bejana. Kompatibilitas cairan: Konfirmasikan kompatibilitas paduan bodi, segel elastomer, dan lapisan internal dengan produk, termasuk konsentrasi, suhu, dan keberadaan fase sekunder (misalnya H₂S, air). Modus aktivasi: Untuk proteksi pasif saja, BAC mekanis dengan baut geser sudah cukup. Untuk aplikasi yang memerlukan pemutusan jarak jauh atau otomatis, diperlukan ERC dengan antarmuka HPU. Tekanan dan suhu pengoperasian: Pastikan tekanan kerja terukur pada kopling melebihi MAWP sistem, dan kisaran suhu mencakup pengoperasian normal dan kondisi terburuk. Persyaratan peraturan dan sertifikasi: Konfirmasikan apakah zonasi ATEX, PED, Gost, atau persetujuan khusus sektor (lembaga klasifikasi maritim, FDA, dll.) berlaku untuk instalasi. Orientasi instalasi: Konfirmasikan apakah pemasangannya horizontal, vertikal, atau miring, dan pastikan kopling yang dipilih sesuai dengan orientasinya — beberapa desain sensitif terhadap mulur katup akibat gravitasi pada pemasangan vertikal. Standar, Sertifikasi & Kepatuhan Kopling pengaman yang digunakan dalam industri yang diatur harus mematuhi satu atau lebih standar internasional. Kerangka kerja yang berlaku bergantung pada jenis fluida, wilayah operasi, dan sektor industri. Dalam situasi di mana ketegangan dan torsi pada selang atau kesalahan manusia selama operasi bongkar muat dapat mengakibatkan cedera serius, kehilangan produk yang mahal, dan dampak buruk terhadap lingkungan, maka pemisahan keselamatan lebih dari sekadar keuntungan — dan sertifikasi mereka merupakan komponen mendasar dari nilai tersebut. ISO 9001:2015 PED 97/23/EC Petunjuk ATEX TÜV Apragaz gost-r FMC TDT EN 1983 / EN 14432 OCIMF Untuk bunker LNG dan metanol, pedoman praktik terbaik industri yang diterbitkan oleh badan-badan internasional menetapkan bahwa kopling pemisah yang terletak di sistem transfer harus memiliki katup penutup yang dapat menutup sendiri pada setiap bagian yang terpisah. Instruksi pengoperasian lengkap, jadwal pengujian dan inspeksi, catatan yang diperlukan, dan batasan apa pun dari semua sistem pelepasan darurat harus dirinci dalam manual pengoperasian fasilitas. Sertifikasi material 3.1 dan 3.2 tersedia dari produsen terkemuka berdasarkan permintaan. 3.1 sertifikasi menegaskan bahwa bahan telah diuji dan dapat ditelusuri ke betsnya; Sertifikasi 3.2 melibatkan validasi pihak ketiga yang independen dan digunakan jika tingkat jaminan tertinggi diperlukan untuk aplikasi keselamatan kritis. Pemeliharaan, Inspeksi & Manajemen Siklus Hidup Kopling pengaman yang memisahkan diri sebagian besar merupakan perangkat pasif yang memerlukan perawatan rutin minimal — namun tidak memerlukan perawatan nol. Sistem inspeksi terstruktur merupakan bagian dari sistem manajemen keselamatan yang kredibel untuk operasi transfer fluida. Pemeriksaan Rutin Baut dan segel yang putus harus diperiksa dan diganti setiap tahun, terutama jika aplikasinya menambah regangan berlebihan atau jika kopling terkena cairan agresif, UV, atau siklus termal. Untuk SBC kelautan yang dipasang di lepas pantai, unit umumnya harus dipindahkan untuk perbaikan dengan interval tiga hingga lima tahun, biasanya pada saat penggantian tali selang. Protokol Pasca Aktivasi Setelah aktivasi apa pun — terencana atau tidak disengaja — kedua bagian harus diperiksa sebelum kopling dikembalikan ke layanan. Dudukan katup poppet atau kelopak, alur cincin-O, permukaan penghubung, dan lapisan dalam semuanya harus diperiksa dari kerusakan. Peristiwa aktivasi harus didokumentasikan dalam catatan manajemen keselamatan, termasuk keadaan, tanggal, kondisi cairan, dan nomor seri kopling. Pelatihan Operator Pelatihan yang dipimpin oleh pabrikan untuk personel pemeliharaan memastikan bahwa skrup tetap aman, andal, dan dikalibrasi secara tepat sesuai beban putus yang ditentukan, dengan pengaturan torsi yang benar diterapkan pada baut geser pengganti. Bukti kompetensi yang terdokumentasi dan terbukti — menunjukkan bahwa teknisi dilatih di pabrik — memperkuat kepatuhan terhadap peraturan dan menjaga kinerja selama masa pakainya. Perhatian kritis: Jangan sekali-kali memasang baut geser atau pengencang pihak ketiga sebagai pengganti setelah aktivasi. Baut non-OEM jarang disertifikasi dengan spesifikasi geser yang sama dan dapat mengubah gaya putus efektif, sehingga menyebabkan kopling menjadi tidak aman (terlepas sebelum waktunya) atau tidak berfungsi (gagal terlepas di bawah beban berbahaya). Kedua hasil tersebut membatalkan fungsi keamanan perangkat. Nilai Lingkungan dan Operasional Di luar fungsi keselamatan utamanya, kopling pengaman yang memisahkan diri memberikan nilai operasional dan lingkungan yang terukur. Dengan bertindak sebagai penghubung yang mengorbankan dirinya sendiri, SBC mencegah kerusakan pada lengan pemuatan, manifold, rakitan selang, dan sambungan pompa – aset yang jauh lebih mahal untuk diperbaiki atau diganti dan mungkin memerlukan periode penghentian yang lama untuk mengatasinya. Kasus lingkungan hidup juga sama menariknya. Tumpahan tunggal yang tidak terkendali dari selang yang robek di terminal minyak bumi dapat mengakibatkan denda sesuai peraturan, biaya remediasi wajib, dan kerusakan reputasi yang jauh melebihi biaya modal seluruh instalasi SBC terminal. Kopling ini membuahkan hasil jika insiden pertama yang dicegahnya terjadi. Varian ERC tingkat lanjut yang dilengkapi dengan pemantauan jarak jauh memberikan data status real-time mengenai integritas kopling, memungkinkan pemeliharaan prediktif dan penjadwalan inspeksi berdasarkan kondisi. Pendekatan berbasis data ini mengurangi waktu henti operasional dan risiko terlewatnya interval inspeksi — khususnya berguna pada instalasi lepas pantai atau jarak jauh yang aksesnya terbatas. Kopling pengaman yang memisahkan diri adalah salah satu investasi paling hemat biaya yang tersedia dalam rekayasa perpindahan fluida — bukan karena biayanya mahal atau rumit, namun karena nilainya terwujud tepat pada saat segala sesuatunya tidak beres. Dengan menyediakan titik pemisah yang terkendali, dapat diprediksi, dan tertutup, hal ini mengubah potensi bencana menjadi gangguan operasional yang dapat dipulihkan. Pemilihan yang benar memerlukan pemahaman yang jelas tentang lingkungan aplikasi: industri atau kelautan, pasif atau aktif, kekuatan pemecah spesifik yang diperlukan, kompatibilitas fluida, dan kerangka sertifikasi yang berlaku untuk wilayah dan sektor. Melibatkan distributor spesialis atau produsen secara langsung — dan memerlukan personel pemeliharaan yang terlatih di pabrik — memastikan bahwa kopling menjalankan fungsi pentingnya secara tepat saat diperlukan, dan kembali ke layanan terukur dengan cepat dan andal setelah setiap kejadian.
  • 2026.03.27
    Apa Arti Kopling Sebenarnya dan Bagaimana Memilih Kopling yang Tepat untuk Aplikasi Anda?
    Apa itu Coupling : Pengertian dan Pentingnya Coupling Jawaban inti dari pertanyaan “ Kopling apa ” adalah: Kopling adalah komponen mekanis yang digunakan untuk menghubungkan dua poros yang berputar dan mentransmisikan daya, sekaligus mengkompensasi ketidaksejajaran poros, menyerap getaran, dan melindungi peralatan mekanis dari kerusakan dalam kondisi beban berlebih. Dalam aplikasi industri, kopling banyak digunakan pada berbagai sistem transmisi tenaga, seperti motor, pompa, dan kipas angin. Tanpa kopling yang tepat, sistem transmisi dapat menjadi tidak stabil, sehingga mengurangi masa pakai peralatan dan berpotensi menyebabkan kegagalan. Oleh karena itu, memahami prinsip kerja dan pemilihan kopling yang tepat sangat penting untuk meningkatkan efisiensi peralatan. Fungsi Inti Kopling: Bukan Sekadar Sambungan, namun Perlindungan Sistem Kopling tidak hanya digunakan untuk menghubungkan dua poros yang berputar tetapi juga memiliki beberapa fungsi penting: Transmisi Torsi: Mereka mentransmisikan daya dari ujung penggerak ke ujung penggerak. Misalnya, motor 15kW perlu menyalurkan torsi minimal 98N·m secara stabil. Kompensasi Ketidaksejajaran: Selama pemasangan peralatan, sedikit ketidaksejajaran (misalnya 0,1 mm~0,5 mm) dapat terjadi. Kopling secara efektif mengkompensasi ketidaksejajaran ini untuk mencegah keausan atau kelebihan beban pada sistem transmisi. Peredam dan Bantalan Getaran: Kopling dapat menyerap hingga 60% getaran, sehingga mengurangi guncangan mekanis pada sistem. Perlindungan Kelebihan Beban: Beberapa kopling dapat terputus secara otomatis saat kelebihan beban, sehingga mencegah kerusakan lebih lanjut pada peralatan. Misalnya, dalam sistem pompa, penggunaan kopling elastis yang sesuai dapat mengurangi getaran hingga 2,1 mm/s, sehingga meningkatkan stabilitas peralatan secara signifikan dan memperpanjang masa pakainya. Jenis Kopling Umum dan Penerapannya: Cara Memilih Kopling yang Tepat Jenis kopling yang berbeda cocok untuk kondisi pengoperasian yang berbeda. Memahami karakteristiknya membantu para insinyur membuat keputusan yang tepat ketika memilih kopling. Berikut adalah beberapa jenis kopling yang umum: Ketik Kemampuan Kompensasi Maksimal Aplikasi Khas Karakteristik Kopling Kaku Hampir tidak ada kompensasi Peralatan mesin presisi tinggi Efisiensi transmisi tinggi, cocok untuk peralatan yang memerlukan presisi penyelarasan tinggi Kopling Elastis Radial 0,2~0,5mm Sistem Pompa Motor Peredam getaran yang baik, cocok untuk lingkungan dengan getaran tinggi Kopling Gigi Sudut 1°~1,5° Peralatan tugas berat Kapasitas menahan beban yang kuat, cocok untuk sistem transmisi torsi tinggi Kopling Cakram Kompensasi mikro presisi tinggi Sistem servo Tidak ada reaksi balik, cocok untuk aplikasi berkecepatan tinggi dan presisi tinggi Kopling Sambungan Universal Sudut hingga 15° atau lebih Sistem penggerak yang kompleks Dapat beradaptasi dengan misalignment sudut besar, cocok untuk sistem sudut dinamis Misalnya, pada alat berat, kopling roda gigi adalah pilihan yang lebih disukai karena kapasitas menahan bebannya yang tinggi. Dalam aplikasi yang dikontrol secara presisi seperti peralatan CNC, kopling cakram ideal karena karakteristik zero-backlash dan bebas getarannya, sehingga memberikan akurasi operasional yang lebih tinggi. Panduan Praktis Memilih Kopling yang Tepat Memilih kopling yang tepat sangat penting untuk memastikan pengoperasian peralatan yang stabil dan efisien. Berikut ini adalah faktor-faktor utama yang perlu dipertimbangkan ketika memilih kopling: Persyaratan Torsi: Berdasarkan daya motor dan beban peralatan, tentukan torsi maksimum yang diperlukan. Misalnya, motor 10kW setara dengan rentang torsi sekitar 60~80N·m. Ketidakselarasan: Jika terdapat ketidaksejajaran pemasangan (biasanya 0,1~0,5 mm), pilih kopling yang dapat mengimbangi ketidaksejajaran, seperti kopling elastis atau cakram. Persyaratan Kecepatan: Untuk aplikasi kecepatan tinggi, seperti lebih dari 3000 rpm, kopling cakram direkomendasikan karena karakteristik zero-backlash dan presisi tinggi. Kondisi Lingkungan: Untuk lingkungan dengan suhu tinggi atau kondisi korosif, pilih kopling yang terbuat dari bahan seperti baja tahan karat atau paduan khusus lainnya. Persyaratan Pemeliharaan: Beberapa kopling (misalnya kopling roda gigi) memerlukan pelumasan dan pemeriksaan rutin, sedangkan kopling cakram biasanya tidak memerlukan perawatan, sehingga ideal untuk pengoperasian jangka panjang dan tanpa gangguan. Misalnya, dalam lini produksi pompa air, peralihan ke kopling elastis yang sesuai dapat mengurangi kegagalan mekanis yang disebabkan oleh getaran, sehingga mengurangi tingkat kegagalan peralatan sekitar 25%. Selain itu, penggunaan kopling elastis menurunkan biaya perawatan dan meningkatkan efisiensi produksi. Kesalahan Umum Seleksi dan Cara Menghindarinya Kesalahan umum saat memilih kopling meliputi: Terlalu berfokus pada harga dan mengabaikan kinerja serta masa pakai, menyebabkan seringnya penggantian. Mengabaikan masalah misalignment, menyebabkan kegagalan kopling dini. Perkiraan kebutuhan torsi yang salah, mengakibatkan peralatan kelebihan beban dan kerusakan pada kopling dan komponen lainnya. Data menunjukkan bahwa sekitar 15% kegagalan peralatan disebabkan oleh pemilihan kopling yang salah, yang seringkali dapat dihindari melalui perhitungan yang akurat dan pemilihan yang tepat. Pemilihan yang tepat meningkatkan stabilitas peralatan dan memperpanjang umur layanannya. Tren Teknologi Kopling: Kemajuan Menuju Kinerja Tinggi dan Integrasi Cerdas Seiring berkembangnya peralatan industri menuju efisiensi yang lebih tinggi dan sistem cerdas, teknologi kopling juga semakin maju. Berikut beberapa tren dalam teknologi kopling: Bahan Ringan dan Berkinerja Tinggi: Material komposit baru telah mengurangi bobot kopling sebesar 20%-40%, sekaligus mempertahankan kekuatan dan daya tahan tinggi. Desain Bebas Perawatan: Banyak kopling modern memiliki desain bebas perawatan, sehingga mengurangi waktu henti dan biaya perawatan. Pemantauan Cerdas: Beberapa kopling kini mengintegrasikan sensor untuk memantau data waktu nyata (misalnya getaran, suhu), sehingga meningkatkan keselamatan dan efisiensi. Kemajuan teknologi ini membuat kopling lebih cocok untuk kebutuhan kecepatan tinggi dan presisi tinggi, sekaligus meningkatkan kemampuan adaptasinya dalam kondisi kerja yang kompleks, mendorong pengembangan manufaktur cerdas dan otomatisasi. Referensi Jiang, Y., & Liu, X. (2022). "Kopling Mekanis: Jenis, Aplikasi, dan Pertimbangan." Jurnal Teknik Industri, 45(6), 12-25. Wang, H., & Zhang, Z. (2021). "Teknologi Kopling pada Alat Berat: Tren dan Inovasi." Jurnal Sistem Manufaktur, 39(3), 113-120. Xu, L., & Li, J. (2020). "Kinerja Kopling Elastis pada Mesin Bergetar." Jurnal Teknik Getaran, 19(4), 233-241.
  • 2026.03.20
    Apakah Kopling Roda Gigi Drum Ekstensi Poros Motor GBD merupakan Solusi Transmisi Daya yang Andal?
    Itu Kopling roda gigi drum ekstensi poros motor tipe GBD (Q/YG 11003X-2018) merupakan komponen transmisi tenaga berkinerja tinggi yang banyak digunakan pada berbagai sistem permesinan industri. Dikenal karena desain dan keandalannya yang unggul, ini berfungsi sebagai alat penting untuk menghubungkan peralatan dan mentransfer daya secara efisien. Kopling memastikan transmisi torsi yang stabil dan kelancaran pengoperasian peralatan dalam kondisi kerja yang kompleks dan berat, menjadikannya bagian tak terpisahkan dari sistem industri modern. Fitur Utama dan Keunggulan Kopling GBD Kapasitas Beban Tinggi Itu GBD motor shaft extension drum gear coupling is designed to handle high torque loads, making it particularly suitable for heavy-duty and high-intensity industrial environments. Its precise design ensures stable and effective power transmission across various working conditions, whether dealing with heavy loads or complex mechanical systems. Dalam industri seperti pertambangan, metalurgi, dan bahan kimia, peralatan sering kali menghadapi tuntutan beban yang kompleks dan tekanan dinamis. Kemampuan kopling GBD untuk menahan tantangan ini memastikan bahwa daya ditransfer secara efektif, sehingga peralatan dapat beroperasi dengan lancar dan terus menerus. Daya Tahan dan Umur Panjang Dibangun dengan bahan berkekuatan tinggi dan proses manufaktur canggih, kopling GBD menunjukkan daya tahan yang luar biasa. Produk ini dapat tahan terhadap kondisi pengoperasian ekstrem seperti suhu tinggi, kelembapan, korosi, dan getaran, serta mempertahankan kinerjanya seiring waktu. Misalnya, pada penghancur pabrik semen, kopling GBD dapat menangani operasi beban berat yang sering dilakukan, mempertahankan tingkat kegagalan yang rendah bahkan pada suhu dan kelembapan tinggi. Daya tahan ini memastikan peralatan industri beroperasi secara efisien dan mengurangi kebutuhan akan perawatan atau penggantian yang sering. Transfer Daya Halus Itu GBD motor shaft extension drum gear coupling ensures smooth connection between the motor and driven equipment by minimizing vibrations and backlash. In industrial applications, smooth power transmission is essential for maintaining precise machine operation. Excessive vibrations or shocks can lead to unnecessary wear and mechanical failures, while the GBD coupling's optimized design significantly reduces these risks. Selain itu, kopling menyediakan transmisi daya yang stabil di berbagai jenis mesin, secara efektif mengurangi fluktuasi beban antara peralatan yang terhubung dan memperpanjang umur seluruh sistem. Penerapan Kopling GBD di Seluruh Industri Berkat kapasitas beban yang tinggi, daya tahan, dan kinerja yang stabil, kopling roda gigi drum ekstensi poros motor GBD banyak digunakan di berbagai sektor industri seperti pertambangan, metalurgi, semen, dan pembangkit listrik. Industri Pertambangan Itu mining industry often operates in extremely harsh conditions, with equipment facing high torque, vibration, and stress. Machines like crushers, conveyors, and vibrating screens require a reliable power transmission system. The GBD coupling, with its high load-bearing capacity and resistance to high temperatures and corrosion, is the ideal choice for these heavy-duty machines. Misalnya, dalam sistem penghancur pertambangan tertentu, kopling GBD harus berfungsi dalam torsi dan getaran tinggi. Dalam kondisi kerja yang berat ini, ketahanan dan stabilitasnya membantu meminimalkan waktu henti dan meningkatkan efisiensi produksi. Industri Metalurgi Peralatan metalurgi sering kali beroperasi pada suhu tinggi, beban berat, dan kondisi tekanan tinggi. Kopling roda gigi drum ekstensi poros motor GBD memiliki ketahanan panas dan kinerja lelah yang sangat baik menjadikannya pilihan ideal di sektor ini. Ini digunakan dalam peralatan seperti rolling mill dan sistem konveyor di pabrik baja, yang memerlukan transmisi daya yang stabil untuk meminimalkan kegagalan mekanis. Pada lini produksi baja, kopling GBD memastikan transmisi torsi yang presisi di rolling mill, yang mengutamakan efisiensi operasional dan kualitas produk. Kemampuan kopling untuk bekerja dalam kondisi ekstrem menjamin pengoperasian yang stabil dalam jangka panjang dan mengurangi kebutuhan akan perbaikan yang sering. Industri Semen Itu cement industry requires equipment to handle heavy loads and frequent operation cycles. In cement plants, machines like ball mills, mixers, and vertical mills demand high-efficiency power transmission systems. The GBD coupling performs exceptionally well in such environments, ensuring the stable operation of heavy-duty equipment and reducing maintenance needs. Misalnya, dalam sistem penggerak ball mill, kapasitas beban tinggi dan ketahanan aus dari kopling GBD memungkinkannya bekerja secara konsisten dalam kondisi beban yang berfluktuasi, memastikan efisiensi produksi yang tinggi dan hasil semen berkualitas. Industri Pembangkit Listrik Di sektor pembangkit listrik, keandalan dan stabilitas peralatan merupakan hal yang paling penting, terutama pada mesin besar seperti turbin angin dan turbin gas. Kopling roda gigi drum ekstensi poros motor GBD memastikan transmisi daya yang lancar dan mengurangi tingkat kegagalan, meningkatkan efisiensi sistem pembangkit listrik secara keseluruhan. Pada turbin angin, kopling GBD membantu menstabilkan transfer daya dari bilah yang berputar ke generator, memastikan produksi energi yang efisien dan pasokan energi yang lebih andal. Spesifikasi Teknis dan Kinerja Kopling GBD Itu GBD motor shaft extension drum gear coupling has several key technical features that highlight its superior performance, making it an ideal choice for various industrial applications. Rentang Transmisi Torsi Itu GBD coupling is designed to efficiently transmit torque in the range of 100 Nm to several thousand Nm, covering a wide range of load requirements. This enables it to serve in both medium-load and heavy-load applications, ensuring effective power transmission in various types of industrial systems. Tahan Suhu Itu GBD coupling can operate within a temperature range of -20°C to 100°C, allowing it to function reliably in extreme environmental conditions. Whether in cold climates or high-temperature environments, the coupling maintains excellent performance. Peredam Getaran Di lingkungan dengan beban tinggi dan getaran tinggi, kopling GBD secara efektif mengurangi getaran, memastikan kelancaran pengoperasian sistem permesinan. Hal ini memainkan peran penting dalam mencegah kegagalan mekanis yang disebabkan oleh getaran berlebihan, memastikan umur peralatan yang panjang dan stabilitas operasional. Rekomendasi Pemasangan dan Perawatan Meskipun kopling GBD dirancang untuk daya tahan yang luar biasa, pemasangan yang tepat dan perawatan rutin tetap penting untuk memastikan kinerja optimal. Selama pemasangan, penting untuk memastikan keselarasan yang benar antara poros motor dan peralatan yang digerakkan untuk mencegah keausan dan kegagalan yang berlebihan. Mengenai perawatan, disarankan untuk melakukan pemeriksaan berkala terhadap keausan gigi roda gigi, khususnya pada lingkungan dengan beban tinggi atau suhu tinggi. Pembersihan dan pemeriksaan segel secara rutin dapat memperpanjang masa pakai kopling. Itu Kopling roda gigi drum ekstensi poros motor GBD (Q/YG 11003X-2018) menawarkan solusi canggih dan andal untuk transmisi daya dalam sistem mesin industri. Dengan kapasitas muatannya yang tinggi, daya tahan yang luar biasa, dan pengoperasian yang lancar, ia berfungsi sebagai komponen penting dalam berbagai industri seperti pertambangan, metalurgi, semen, dan pembangkit listrik. Itu coupling’s ability to function under extreme conditions and transfer power seamlessly between motor shafts and driven equipment ensures long-lasting and stable performance. By reducing downtime, maintenance costs, and mechanical failures, the GBD coupling plays a critical role in optimizing industrial operations and enhancing the efficiency and reliability of machinery systems. Referensi Federasi Industri Mesin China. (2018). "Manual Teknologi Kopling". Beijing: Pers Industri Mesin China. Li, M., & Wang, H. (2020). "Desain dan Penerapan Kopling Beban Tinggi". Teknik Mesin dan Otomasi, 42(5), 34-39. Zhang, W., & Liu, Q. (2019). "Pemilihan dan Penerapan Kopling pada Peralatan Pertambangan". Mesin Pertambangan, 41(3), 45-49. Chen, G., & Wang, L. (2021). “Penelitian dan Penerapan Kopling Tahan Suhu Tinggi pada Industri Metalurgi”. Peralatan dan Teknologi Metalurgi, 39(2), 58-62. Zhang, T., & Huang, J. (2020). “Penelitian Penerapan Kopling Pada Industri Semen”. Teknik Semen dan Bahan Bangunan, 38(8), 70-75.
  • 2026.03.12
    Bagaimana Kopling Perlengkapan Drum GB Meningkatkan Efisiensi Transmisi Mekanis dan Keandalan Peralatan dalam Aplikasi Industri Tugas Berat?
    Dalam sistem industri modern, transmisi daya yang andal memainkan peran penting dalam memastikan pengoperasian peralatan yang stabil. Mesin-mesin besar yang digunakan dalam industri seperti pertambangan, metalurgi, produksi semen, dan penanganan pelabuhan seringkali membutuhkan komponen yang mampu menangani beban berat dan pengoperasian yang berkelanjutan. Di antara komponen-komponen tersebut, GB Kopling Roda Gigi Drums banyak digunakan dalam sistem transmisi mekanis karena membantu menjaga efisiensi transmisi mekanis, mendukung keandalan peralatan, dan memenuhi persyaratan aplikasi industri tugas berat. Kopling roda gigi drum menghubungkan dua poros yang berputar dan mentransfer torsi di antara keduanya. Desainnya memungkinkan ketidaksejajaran pada tingkat tertentu dengan tetap menjaga transmisi daya yang efisien. Karena mesin industri sering kali beroperasi dalam kondisi yang menuntut, kemampuan untuk mempertahankan kinerja yang stabil dalam jangka waktu lama sangatlah dihargai. Artikel ini mengeksplorasi bagaimana kopling roda gigi drum GB berkontribusi terhadap kinerja mesin industri, mengapa kopling ini umum digunakan di lingkungan tugas berat, dan bagaimana pemasangan dan pemeliharaan yang tepat membantu memaksimalkan nilai operasionalnya. Mengapa Efisiensi Transmisi Mekanis Penting pada Peralatan Industri? Sistem transmisi mekanis bertanggung jawab untuk mentransfer energi dari motor atau mesin ke komponen kerja di dalam mesin. Ketika sistem transmisi beroperasi secara efisien, peralatan dapat melakukan tugas dengan kehilangan energi yang lebih sedikit dan pengoperasian yang lebih stabil. Kopling, roda gigi, dan poros semuanya berkontribusi pada proses ini. Di lingkungan industri, peningkatan kecil sekalipun pada efisiensi transmisi mekanis dapat membantu mengurangi konsumsi energi dan mendukung kinerja alat berat yang lebih lancar. Faktor Apa Saja yang Mempengaruhi Efisiensi Transmisi Mekanis pada Mesin Industri? Efisiensi transmisi mekanis bergantung pada beberapa faktor teknis dan operasional. Komponen-komponen dalam sistem transmisi tenaga harus bekerja sama dengan lancar untuk memastikan bahwa energi ditransfer secara efektif dari sumber penggerak ke peralatan yang digerakkan. Beberapa faktor mempengaruhi efisiensi transmisi: Presisi komponen mekanis seperti roda gigi dan kopling Penjajaran poros yang tepat Kualitas pelumasan dan kondisi perawatan Kekuatan material dan ketahanan aus Ketika faktor-faktor ini dikelola dengan baik, mesin industri dapat beroperasi lebih efisien dan dengan lebih sedikit gangguan. Kopling roda gigi drum berkontribusi pada proses ini dengan menyediakan koneksi yang kuat dan stabil antara poros yang berputar. Bagaimana Kopling Mempengaruhi Kinerja Transmisi Daya? Kopling memainkan peran sentral dalam sistem transmisi tenaga industri. Mereka menghubungkan poros yang mentransfer torsi dari motor ke mesin yang digerakkan seperti konveyor, penghancur, dan pabrik penggilingan. Tanpa kopling yang sesuai, transmisi daya mungkin menjadi tidak stabil atau tidak efisien. Kopling roda gigi drum dirancang untuk meningkatkan kinerja transmisi dengan mempertahankan transfer torsi yang konsisten bahkan ketika terjadi sedikit ketidaksejajaran antar poros. Kontribusinya terhadap kinerja transmisi meliputi: Transfer torsi yang stabil antara poros yang terhubung Mengurangi tekanan pada bantalan dan komponen lainnya Kemampuan beradaptasi terhadap sedikit ketidakselarasan dalam sistem mekanis Peningkatan stabilitas alat berat secara keseluruhan Karena karakteristik ini, kopling roda gigi drum sering kali dipilih untuk peralatan yang memerlukan pengoperasian yang andal dan berkelanjutan. Mengapa Kopling Roda Gigi Drum Digunakan dalam Sistem Torsi Tinggi? Sistem transmisi torsi tinggi memerlukan kopling yang mampu menahan beban berat tanpa mengurangi stabilitas. Kopling roda gigi drum sangat cocok untuk aplikasi tersebut karena desain strukturalnya. Gigi roda gigi berbentuk drum memungkinkan fleksibilitas yang lebih besar dalam mengakomodasi ketidaksejajaran poros sekaligus mempertahankan permukaan kontak yang besar antar gigi roda gigi. Struktur ini membantu mendistribusikan beban secara lebih merata. Keuntungan kopling roda gigi drum pada sistem torsi tinggi meliputi: Kemampuan menahan beban yang kuat Kemampuan menangani transmisi torsi besar Peningkatan toleransi terhadap ketidaksejajaran poros Performa stabil dalam kondisi pengoperasian berat Karakteristik ini menjadikannya solusi praktis pada mesin industri yang memerlukan transmisi mekanis yang andal. Bagaimana Kopling Perlengkapan Drum GB Mendukung Keandalan Peralatan? Di lingkungan industri berat, keandalan peralatan sangat penting. Mesin sering kali beroperasi terus menerus dalam jangka waktu lama, dan waktu henti yang tidak terduga dapat mengganggu jadwal produksi dan meningkatkan biaya pemeliharaan. Oleh karena itu, desain dan kualitas komponen transmisi memainkan peran penting dalam menjaga stabilitas pengoperasian. Sistem kopling berperforma tinggi membantu memastikan transmisi torsi yang mulus sekaligus mengurangi risiko kegagalan mekanis yang disebabkan oleh ketidaksejajaran, getaran, atau beban berat. Kopling roda gigi drum GB berkontribusi terhadap keandalan peralatan dengan menyediakan sambungan yang tahan lama dan fleksibel antara poros yang berputar. Struktur tipe roda gigi memungkinkan transmisi torsi tinggi sekaligus mengakomodasi ketidakselarasan sudut, radial, dan aksial pada tingkat tertentu antara peralatan yang terhubung. Fleksibilitas ini mengurangi tekanan pada mesin yang terhubung dan membantu memperpanjang masa pakai kopling dan komponen di sekitarnya. Selain itu, kopling roda gigi drum GB biasanya dibuat dari baja paduan berkekuatan tinggi dan menjalani proses pemesinan dan perlakuan panas yang presisi. Teknik manufaktur ini meningkatkan ketahanan aus, kapasitas menahan beban, dan daya tahan jangka panjang, bahkan dalam kondisi industri yang berat. Desain roda gigi berbentuk drum juga meningkatkan distribusi beban di seluruh gigi roda gigi, meminimalkan keausan lokal dan memastikan transmisi daya lebih mulus. Karena keunggulan ini, kopling roda gigi drum GB banyak digunakan pada peralatan tugas berat seperti rolling mill, mesin pertambangan, konveyor, crane, dan sistem industri besar lainnya. Kemampuannya untuk beroperasi dengan andal di bawah beban tinggi, kondisi guncangan, dan pengoperasian berkelanjutan menjadikannya pilihan yang dapat diandalkan untuk industri yang mengutamakan kinerja peralatan dan stabilitas operasional. Fitur Struktural Apa yang Meningkatkan Keandalan Peralatan? Desain struktural kopling roda gigi drum membantunya bekerja secara efektif dalam kondisi yang berat. Giginya yang melengkung meningkatkan area kontak antara roda gigi yang berpasangan, sehingga memungkinkan beban didistribusikan ke permukaan yang lebih luas. Fitur struktural utama meliputi: Gigi roda gigi berbentuk drum melengkung Area kontak penahan beban yang besar Konstruksi baja berkekuatan tinggi Ketahanan terhadap tekanan mekanis dan keausan Fitur-fitur ini membantu mengurangi tekanan lokal dalam kopling dan mendukung keandalan jangka panjang dalam aplikasi industri. Bagaimana Kopling Roda Gigi Mengurangi Getaran dan Ketidaksejajaran Peralatan? Di banyak mesin industri, keselarasan poros yang sempurna sulit dipertahankan karena ekspansi termal, perubahan beban, atau kondisi pemasangan. Oleh karena itu, kopling harus mengakomodasi penyimpangan kecil tanpa meneruskan tegangan berlebihan ke komponen lain. Kopling roda gigi drum membantu mengatasi tantangan ini dengan memungkinkan fleksibilitas terkendali dalam sistem transmisi. Manfaatnya meliputi: Kompensasi untuk misalignment aksial, radial, dan sudut Pengurangan getaran yang ditransmisikan antar poros yang terhubung Pengoperasian mesin lebih lancar Menurunkan risiko keausan komponen dini Dengan mendukung transmisi daya yang seimbang, kopling ini berkontribusi terhadap kinerja peralatan yang lebih stabil. Bagaimana Pelumasan yang Tepat Meningkatkan Masa Pakai Kopling? Pelumasan memainkan peran penting dalam menjaga kinerja kopling roda gigi. Interaksi antar gigi menimbulkan gesekan, yang lambat laun dapat menyebabkan keausan jika pelumasan tidak mencukupi. Pelumasan yang tepat memberikan beberapa keuntungan: Mengurangi gesekan antar gigi gigi Perlindungan permukaan logam dari keausan Peningkatan pembuangan panas selama pengoperasian Masa pakai kopling lebih lama Perawatan pelumasan rutin memastikan kopling roda gigi drum terus beroperasi dengan lancar dalam sistem transmisi. Apa yang Membuat Kopling Roda Gigi Drum Cocok untuk Aplikasi Industri Tugas Berat? Peralatan industri yang digunakan di sektor seperti pertambangan dan produksi baja harus mampu menangani beban berat dan beroperasi terus menerus. Kopling roda gigi drum dirancang untuk mendukung kondisi yang menuntut ini dengan tetap menjaga kestabilan transmisi mekanis. Industri Manakah yang Biasa Menggunakan Kopling Roda Gigi Drum? Kopling roda gigi drum banyak digunakan di industri di mana peralatan beroperasi pada torsi tinggi dan beban berat. Desainnya yang tahan lama membuatnya cocok untuk sistem mekanis besar. Industri aplikasi umum meliputi: Peralatan metalurgi seperti rolling mill Mesin pertambangan termasuk penghancur dan konveyor Sistem produksi semen Peralatan penanganan pelabuhan dan crane Mesin pembangkit listrik Industri-industri ini memerlukan komponen transmisi yang andal yang dapat berfungsi secara efektif dalam kondisi pengoperasian yang berat. Bagaimana Kopling Roda Gigi Drum Menangani Beban Berat dan Torsi Tinggi? Kemampuan menangani torsi tinggi merupakan salah satu keunggulan utama kopling roda gigi drum. Desain gigi roda gigi memungkinkannya mentransmisikan gaya besar sambil mempertahankan pengoperasian yang stabil. Kemampuan ini dicapai melalui: Bahan baja paduan yang kuat Geometri gigi roda gigi yang dioptimalkan Pemerataan beban yang ditransmisikan Ketahanan struktural terhadap kelelahan mekanis Karakteristik desain ini membantu memastikan bahwa kopling roda gigi drum bekerja dengan andal dalam aplikasi industri tugas berat. Bagaimana Standar Industri Mempengaruhi Desain Kopling? Standar industri membantu memastikan kompatibilitas, keamanan, dan kinerja di seluruh komponen mekanis. Standar GB memberikan spesifikasi untuk desain dan dimensi kopling roda gigi drum yang digunakan pada peralatan industri. Standardisasi menawarkan beberapa manfaat: Kualitas dan keandalan produk yang konsisten Pertukaran antar komponen yang kompatibel Proses pemeliharaan dan penggantian yang disederhanakan Dukungan untuk sistem peralatan industri skala besar Dengan mengikuti desain standar, produsen dapat memproduksi kopling yang terintegrasi secara lancar dengan berbagai macam mesin. Bagaimana Pemasangan dan Pemeliharaan yang Benar Dapat Meningkatkan Kinerja? Bahkan kopling berkualitas tinggi memerlukan pemasangan dan pemeliharaan yang tepat untuk mencapai kinerja optimal. Pemasangan yang benar memastikan bahwa kopling beroperasi dalam batas mekanis yang diinginkan. Apa Langkah Penting dalam Memasang Kopling Roda Gigi Drum? Pemasangan yang benar adalah langkah pertama dalam memastikan pengoperasian kopling roda gigi yang stabil. Teknisi harus menyelaraskan poros dengan hati-hati dan mengamankan komponen kopling. Langkah-langkah instalasi utama meliputi: Memeriksa poros dan komponen kopling sebelum pemasangan Memastikan keselarasan poros yang benar Mengamankan baut dan mengencangkan komponen dengan benar Menerapkan pelumasan yang sesuai Perhatian terhadap langkah-langkah ini membantu memastikan bahwa kopling berfungsi secara efektif dalam sistem transmisi mekanis. Seberapa Sering Kopling Roda Gigi Harus Diperiksa? Inspeksi rutin penting untuk menjaga keandalan peralatan industri. Selama inspeksi, teknisi memeriksa kondisi kopling dan sistem pelumasannya. Kegiatan inspeksi biasanya meliputi: Memeriksa gigi roda gigi apakah ada keausan atau kerusakan Memantau tingkat pelumasan Memeriksa kekencangan baut Memastikan keselarasan yang benar dari poros yang terhubung Inspeksi rutin membantu mengidentifikasi potensi masalah sebelum memengaruhi kinerja peralatan. Bagaimana Pemeliharaan Preventif Dapat Mengurangi Waktu Henti Peralatan? Pemeliharaan preventif berfokus pada mengidentifikasi dan mengatasi masalah kecil sebelum berkembang menjadi masalah yang lebih besar. Dalam mesin industri, pendekatan ini membantu menjaga operasi produksi yang konsisten. Praktik pemeliharaan preventif meliputi: Perawatan pelumasan terjadwal Inspeksi komponen secara berkala Penggantian dini suku cadang yang aus Memantau getaran dan kinerja peralatan Praktik-praktik ini mendukung keandalan peralatan jangka panjang dan membantu meminimalkan waktu henti yang tidak terduga. Apa Tren Perkembangan Masa Depan untuk Kopling Perlengkapan Industri? Mesin industri terus berkembang seiring dengan semakin majunya proses manufaktur. Teknologi kopling roda gigi juga berkembang untuk memenuhi perubahan kebutuhan industri. Bagaimana Material Baru Meningkatkan Kinerja Kopling? Teknologi material memainkan peran utama dalam meningkatkan ketahanan dan kinerja kopling. Kopling modern sering kali menggunakan baja paduan canggih dan proses perlakuan panas. Manfaat bahan yang ditingkatkan meliputi: Kekuatan dan kapasitas beban yang lebih tinggi Ketahanan yang lebih baik untuk dipakai Masa pakai lebih lama Peningkatan keandalan di lingkungan tugas berat Perkembangan ini memungkinkan kopling untuk mendukung mesin industri yang semakin menuntut. Bagaimana Manufaktur Presisi Meningkatkan Efisiensi Transmisi? Teknik manufaktur yang presisi membantu memastikan geometri gigi roda gigi yang akurat dan interaksi mekanis antar komponen yang lebih lancar. Peningkatan proses manufaktur berkontribusi pada: Mengurangi gesekan antar gigi gigi Transmisi torsi lebih efisien Tingkat getaran yang lebih rendah selama pengoperasian Peningkatan efisiensi transmisi mekanis Perbaikan ini meningkatkan kinerja sistem transmisi industri secara keseluruhan. Peran Apa yang Akan Dimainkan Kopling Roda Gigi dalam Sistem Industri Modern? Ketika sistem industri terus berkembang dalam skala dan kompleksitas, komponen transmisi yang andal tetap penting. Kopling roda gigi akan terus mendukung sistem mekanis yang memerlukan transmisi torsi kuat dan stabilitas operasional. Peran mereka dalam sistem industri modern meliputi: Mendukung peralatan industri tugas berat Mempertahankan transmisi daya yang stabil Berkontribusi pada keandalan peralatan Mendukung pengembangan mesin industri maju Tabel Perbandingan: Kopling Roda Gigi Drum vs Jenis Kopling Lainnya Fitur Drum Gear Coupling Kopling Fleksibel Kopling Kaku Kapasitas Torsi Tinggi Sedang Tinggi Kompensasi Ketidaksejajaran Bagus Bagus Terbatas Daya Tahan dalam Beban Berat Cocok untuk aplikasi tugas berat Sedang Tinggi but rigid Efisiensi Transmisi Mekanis Stabil Sedang Stabil but sensitive to alignment Aplikasi Khas Penambangan, metalurgi, semen Pompa, kompresor Poros yang disejajarkan dengan presisi Dengan menggabungkan desain struktural yang kuat, kapasitas torsi tinggi, dan fleksibilitas untuk ketidaksejajaran poros, kopling roda gigi drum GB berperan penting dalam menjaga efisiensi transmisi mekanis, meningkatkan keandalan peralatan, dan mendukung aplikasi industri tugas berat. Dengan pemasangan, pelumasan, dan perawatan yang tepat, kopling ini terus berfungsi sebagai komponen utama dalam mesin industri modern. Asosiasi Produsen Perlengkapan Amerika (AGMA). (2021). Panduan Desain dan Aplikasi Kopling Gigi. ISO – Organisasi Internasional untuk Standardisasi. (2020). Standar Komponen Transmisi Tenaga Mekanik dan Kopling. Buku Pegangan Mesin. (2022). Transmisi Tenaga dan Komponen Mekanik. Pers Industri. Shigley, J.E., Budynas, R.G., & Nisbett, J.K. (2020). Desain Teknik Mesin. Pendidikan McGraw-Hill.
  • 2026.03.05
    Apa itu Gear Coupling dan Bagaimana Cara Kerjanya?
    Bagaimana Cara Kerja Kopling Roda Gigi Dalam Sistem Transmisi Tenaga Mekanis? Mekanisme Transmisi Tatausi Kopling Gigi Itu Kopling Gigi berfungsi sebagai perangkat mekanis yang dirancang untuk mengirimkan torsi antara dua poros yang berputar sambil mengakomodasi tingkat ketidaksejajaran tertentu. Dalam sistem transmisi tenaga mekanis, torsi yang dihasilkan oleh penggerak utama seperti motor listrik, turbin, atau mesin harus ditransfer secara efisien ke peralatan yang digerakkan seperti pompa, kompresor, konveyor, dan kipas industri. Teknologi kopling gigi memungkinkan perpindahan ini terjadi dengan kapasitas torsi tinggi dan keandalan mekanis. Itu working mechanism of a gear coupling is based on the interaction between gigi roda gigi luar di hub dan gigi roda gigi dalam di dalam lengan baju. Gigi-gigi ini menyatu dengan cara yang mirip dengan roda gigi konvensional, namun fungsi utamanya bukan untuk mengubah kecepatan atau arah putaran. Sebaliknya, mereka menciptakan sambungan mekanis fleksibel yang mampu mentransmisikan gaya rotasi sekaligus memungkinkan pergerakan terbatas antara poros yang terhubung. Saat poros penggerak berputar, torsi disalurkan melalui hub yang terpasang pada poros. Hub berisi gigi roda gigi luar yang menyatu dengan gigi bagian dalam selongsong kopling. Saat hub berputar, gigi meshing gear mentransfer torsi ke selongsong. Selongsong kemudian mentransfer energi putaran ke hub yang terhubung ke poros penggerak. Pengikatan gigi roda gigi yang terus menerus ini memungkinkan torsi berpindah dari poros masukan ke poros keluaran dengan kehilangan energi yang minimal. Itu efficiency of torque transmission in gear couplings is influenced by several design characteristics, including tooth geometry, surface hardness, lubrication conditions, and contact area. Crowned gear teeth are commonly used to enhance performance and reduce localized stress concentrations. The crown shape allows the teeth to maintain proper contact even when slight shaft misalignment occurs. Karena beban didistribusikan ke beberapa gigi secara bersamaan, kopling roda gigi mampu mentransmisikan nilai torsi yang sangat tinggi dibandingkan dengan banyak jenis kopling fleksibel lainnya. Kontak multi-gigi mengurangi beban yang dibawa oleh satu gigi, meningkatkan daya tahan dan memperpanjang masa pakai. Prinsip desain ini sangat menguntungkan dalam aplikasi industri berat di mana torsi tinggi dan beban kejut sering terjadi. Faktor penting lainnya dalam transmisi torsi adalah pelumasan. Kopling roda gigi biasanya beroperasi dengan pelumasan gemuk atau oli untuk mengurangi gesekan antara gigi roda gigi yang menyatu. Pelumasan yang tepat meminimalkan keausan, mencegah panas berlebih, dan memastikan gerakan rotasi yang mulus. Tanpa pelumasan yang memadai, gigi roda gigi dapat mengalami keausan, lubang, atau lecet yang semakin cepat, yang dapat mengganggu kinerja kopling. Itu torque capacity of a gear coupling can be described by the mechanical relationship between torque, force, and radius. T = F × r, Dalam hubungan ini, torsi dihasilkan ketika gaya tangensial diterapkan pada radius tertentu dari pusat rotasi. Pada kopling roda gigi, gigi roda gigi menyediakan permukaan kontak tempat gaya tangensial ditransmisikan dari satu komponen berputar ke komponen berputar lainnya. Dalam sistem transmisi daya performa tinggi, kopling roda gigi dirancang untuk menangani tidak hanya torsi stabil namun juga beban berfluktuasi, putaran balik, dan gaya kejut sementara. Konstruksinya yang kokoh dan area kontak yang besar menjadikannya sangat cocok untuk aplikasi yang mengutamakan keandalan dan daya tahan. Prinsip Kompensasi Ketidakselarasan Kopling Gigi Salah satu ciri khas kopling roda gigi adalah kemampuannya untuk mengakomodasi ketidaksejajaran poros sekaligus mempertahankan transmisi torsi yang efisien. Dalam sistem mekanis dunia nyata, penyelarasan poros yang sempurna jarang dapat dicapai karena toleransi pemasangan, ekspansi termal, defleksi struktural, dan beban dinamis selama pengoperasian. Kopling roda gigi dirancang khusus untuk mengimbangi kondisi ini. Misalignment pada mesin berputar umumnya terjadi dalam tiga bentuk utama: misalignment sudut, misalignment paralel, dan perpindahan aksial. Kopling roda gigi dapat mengakomodasi ketidaksejajaran sudut melalui geometri gigi mahkotanya. Profil mahkota memungkinkan gigi tetap bersentuhan meskipun poros tidak sejajar sempurna. SEBUAHlih-alih menyentuh seluruh permukaan gigi, beban berpindah ke seluruh mahkota, mempertahankan pengikatan sekaligus mengurangi beban tepi. Ketidaksejajaran paralel, juga dikenal sebagai ketidaksejajaran offset, terjadi ketika garis tengah dua poros sejajar tetapi tidak segaris. Meskipun kopling roda gigi lebih toleran terhadap ketidaksejajaran sudut dibandingkan ketidaksejajaran paralel, kopling roda gigi masih dapat mengakomodasi perpindahan sedang melalui pergerakan selongsong relatif terhadap hub. Perpindahan aksial terjadi ketika jarak antara dua poros berubah selama pengoperasian. Ekspansi termal, misalnya, dapat menyebabkan poros memanjang seiring meningkatnya suhu. Kopling roda gigi memungkinkan pergerakan aksial terbatas di dalam selongsong untuk mengakomodasi perubahan ini tanpa mentransfer gaya aksial berlebihan ke peralatan yang terhubung. Itu crowned gear tooth design is critical to the misalignment compensation capability of gear couplings. The crown shape reduces the risk of tooth edge loading, which could otherwise lead to premature wear or failure. By distributing the load across the curved tooth surface, the coupling maintains smooth torque transmission even when minor misalignment occurs. Faktor lain yang berkontribusi terhadap kompensasi ketidaksejajaran adalah jarak bebas antara gigi hub dan gigi selongsong. Jarak bebas ini memberikan kebebasan yang diperlukan untuk pergerakan relatif sambil tetap mempertahankan ikatan gigi yang memadai. Para insinyur dengan hati-hati menyeimbangkan jarak bebas dan area kontak untuk mencapai fleksibilitas dan kapasitas torsi tinggi. Kompensasi ketidaksejajaran juga mengurangi tekanan pada komponen mesin yang terhubung seperti bantalan dan poros. Tanpa mekanisme kopling yang fleksibel, gaya ketidaksejajaran akan langsung ditransfer ke sistem mekanis, sehingga berpotensi menyebabkan getaran, keausan bantalan, dan kelelahan poros. Kopling roda gigi bertindak sebagai penyangga mekanis yang menyerap dan mendistribusikan kembali tekanan-tekanan ini. Di banyak lingkungan industri berat, kondisi misalignment berubah secara dinamis karena variasi beban dan fluktuasi suhu. Kopling roda gigi dapat beradaptasi terhadap perubahan ini secara terus-menerus selama pengoperasian, memastikan kinerja yang konsisten bahkan dalam kondisi yang berat. Distribusi Beban Kopling Roda Gigi dan Perilaku Kontak Gigi Itu load distribution characteristics of gear couplings play a critical role in their ability to transmit high torque efficiently. When torque is applied to the coupling, multiple gear teeth engage simultaneously, sharing the load across the entire circumference of the coupling interface. This multi-tooth contact significantly reduces the stress experienced by individual teeth. Itu load path begins at the driving hub, where torque is applied from the rotating shaft. The gear teeth on the hub engage with the internal teeth of the sleeve. As rotational force is applied, the teeth transmit tangential forces along the pitch circle of the coupling. Because several teeth are engaged at the same time, the total load is distributed rather than concentrated. Itu contact behavior between gear teeth is influenced by factors such as tooth profile accuracy, surface finish, material hardness, and lubrication quality. Precision machining ensures that the gear teeth mesh smoothly without excessive backlash or interference. High-quality surface finishes reduce friction and improve the efficiency of torque transmission. Selain gaya tangensial, gigi roda gigi juga mengalami gaya radial dan aksial selama pengoperasiannya. Gaya radial dihasilkan dari tekanan kontak antara gigi yang bertautan, sedangkan gaya aksial dapat timbul dari ketidaksejajaran atau pergerakan aksial poros. Desain struktur kopling harus mengakomodasi gaya-gaya ini tanpa menyebabkan deformasi atau keausan yang berlebihan. Pemilihan material merupakan faktor penting lainnya yang mempengaruhi distribusi beban. Komponen kopling roda gigi biasanya dibuat dari baja paduan berkekuatan tinggi yang menjalani proses perlakuan panas seperti karburasi atau pengerasan induksi. Perawatan ini meningkatkan kekerasan permukaan sekaligus mempertahankan ketangguhan inti, sehingga memungkinkan gigi menahan siklus tekanan berulang. Pola kontak permukaan dianalisis secara cermat selama tahap desain dan pengujian pengembangan kopling roda gigi. Insinyur memeriksa distribusi kontak di seluruh permukaan gigi untuk memastikan bahwa beban didistribusikan secara merata. Pola kontak yang tidak rata dapat menunjukkan ketidaksejajaran, kesalahan produksi, atau pelumasan yang tidak mencukupi. Kondisi pembebanan dinamis selanjutnya mempengaruhi perilaku kontak gigi. Dalam aplikasi seperti rolling mill, peralatan pertambangan, dan sistem propulsi kelautan, beban torsi dapat berfluktuasi dengan cepat. Kopling roda gigi dirancang untuk menangani kondisi dinamis ini dengan menjaga kestabilan pengikatan gigi bahkan ketika torsi bervariasi secara signifikan. Itu interaction between gear teeth also produces sliding motion along the contact surfaces. This sliding action requires effective lubrication to prevent metal-to-metal contact. Grease or oil lubricants form a protective film that reduces friction and dissipates heat generated during operation. Itu combination of multi-tooth engagement, hardened materials, and controlled lubrication enables gear couplings to achieve exceptional torque capacity and long operational life. Their ability to distribute loads effectively makes them one of the most reliable coupling solutions for demanding industrial environments. Kinerja Dinamis Kopling Gigi Pada Mesin Berputar Kopling roda gigi beroperasi dalam sistem permesinan berputar yang kompleks di mana gaya dinamis memengaruhi kinerja secara keseluruhan. Ketika kecepatan rotasi meningkat, gaya sentrifugal, getaran, dan misalignment dinamis menjadi faktor yang lebih signifikan yang mempengaruhi perilaku kopling. Pada kecepatan putaran yang lebih tinggi, gaya sentrifugal bekerja pada komponen kopling, khususnya selongsong dan media pelumasan. Gaya ini dapat mendistribusikan kembali pelumas di dalam rumah kopling, sehingga berpotensi mempengaruhi efektivitas pelumasan. Desain penyegelan dan pelumasan yang tepat memastikan pelumas tetap terdistribusi secara merata ke seluruh gigi roda gigi. Dinamika rotasi juga memasukkan getaran ke dalam sistem. Getaran dapat berasal dari ketidakseimbangan komponen yang berputar, ketidaksejajaran, atau beban torsi yang berfluktuasi. Kopling roda gigi harus menjaga pengikatan gigi tetap stabil meskipun dalam kondisi dinamis seperti ini. Desain gigi bermahkota membantu mengakomodasi sedikit gerakan sambil mempertahankan transmisi torsi yang konsisten. Itu mass and inertia of the coupling also influence system dynamics. Larger couplings with greater mass may affect the natural frequency of the rotating system. Engineers must consider these factors when selecting a coupling to avoid resonance conditions that could lead to excessive vibration. Iturmal effects further contribute to dynamic performance. As machinery operates, friction and environmental conditions generate heat within the coupling. Thermal expansion can alter shaft alignment and coupling dimensions. Gear couplings accommodate these changes through their flexible tooth engagement and axial movement capability. Dalam aplikasi tugas berat seperti pabrik baja, pembangkit listrik, dan sistem propulsi kelautan, kopling roda gigi sering kali terkena beban kejut dan pembalikan torsi secara tiba-tiba. Desainnya yang kokoh memungkinkannya menyerap gaya-gaya ini tanpa kerusakan struktural. Jalur beban yang terdistribusi ke beberapa gigi membantu mencegah tekanan berlebih yang terlokalisasi. Itu dynamic behavior of gear couplings is often evaluated using advanced simulation tools such as finite element analysis and dynamic modeling. These analyses help engineers predict stress distribution, vibration characteristics, and fatigue life under various operating conditions. Oleh karena itu, kopling roda gigi memainkan peran penting dalam menjaga stabilitas dalam sistem transmisi tenaga mekanis. Kemampuannya untuk beroperasi dengan andal dalam kondisi dinamis memastikan mesin industri dapat bekerja secara efisien bahkan di lingkungan yang penuh tuntutan. Apa Komponen Utama Kopling Gigi dan Bagaimana Fungsinya? A Kopling Gigi adalah alat mekanis yang digunakan untuk menghubungkan dua poros yang berputar guna menyalurkan torsi secara efisien pada mesin industri. Struktur kopling roda gigi dirancang untuk menahan beban torsi tinggi, mengakomodasi ketidaksejajaran poros, dan menjaga transmisi daya tetap stabil dalam kondisi pengoperasian yang berat. Arsitektur internal kopling roda gigi terdiri dari beberapa komponen rekayasa presisi yang berinteraksi satu sama lain untuk memastikan transfer torsi yang andal, fleksibilitas terkendali, dan ketahanan jangka panjang dalam sistem mekanis tugas berat. Setiap komponen kopling roda gigi menjalankan fungsi mekanis yang berbeda dalam rakitan transmisi daya. Kombinasi hub, selongsong, gigi roda gigi, seal, sistem pelumasan, dan pengencang menciptakan mekanisme kopling kokoh yang mampu beroperasi di bawah beban tinggi, torsi berfluktuasi, dan gerakan rotasi terus menerus. Desain komponen ini dipengaruhi oleh faktor-faktor seperti kapasitas torsi, ukuran poros, kecepatan putaran, toleransi misalignment, kebutuhan pelumasan, dan kondisi lingkungan yang biasa ditemui pada peralatan industri. Struktur Hub Kopling Gigi Dan Peran Mekanik Itu hub is one of the primary structural elements of a gear coupling. It serves as the direct connection between the rotating shaft and the coupling assembly. Each gear coupling typically includes two hubs, with one hub mounted on the driving shaft and the other mounted on the driven shaft. These hubs are responsible for transmitting rotational motion from the shafts into the coupling mechanism. Itu outer surface of the hub contains gigi roda gigi luar , yang dikerjakan secara presisi untuk menyatu dengan gigi roda gigi bagian dalam selongsong kopling. Gigi roda gigi ini membentuk antarmuka transmisi torsi utama dalam sistem kopling. Ketika poros penggerak berputar, hub berputar secara bersamaan, dan gigi roda gigi luar mengirimkan torsi melalui kontaknya dengan gigi selongsong bagian dalam. Hub kopling roda gigi biasanya dibuat dari baja paduan berkekuatan tinggi yang mampu menahan beban mekanis tinggi dan siklus tegangan berulang. Proses perlakuan panas seperti karburasi, pengerasan induksi, atau nitridasi sering kali diterapkan untuk meningkatkan kekerasan permukaan dan ketahanan aus. Perawatan ini meningkatkan daya tahan gigi roda gigi sekaligus menjaga ketangguhan inti hub agar tahan terhadap keretakan atau kegagalan kelelahan. Itu hub bore is machined to match the shaft diameter and may include a alur pasak , antarmuka spline, atau kesesuaian interferensi tergantung pada persyaratan desain. Sambungan berkunci adalah salah satu metode yang paling umum digunakan untuk mengamankan hub ke poros. Kuncinya mentransmisikan torsi antara poros dan hub sekaligus mencegah rotasi relatif. Penyelarasan yang tepat dan pemasangan hub yang aman sangat penting untuk kinerja seluruh sistem kopling roda gigi. Kelonggaran atau ketidaksesuaian antara hub dan poros dapat menyebabkan getaran, distribusi beban yang tidak merata, atau keausan komponen sebelum waktunya. Karena alasan ini, prosedur pemasangan biasanya melibatkan persiapan poros yang tepat, pemasangan kunci yang akurat, dan pengencangan torsi yang terkontrol pada elemen penahan. Dalam aplikasi industri tugas berat seperti konveyor pertambangan, rolling mill, sistem propulsi kelautan, dan peralatan pembangkit listrik, hub kopling roda gigi harus menangani beban torsi yang sangat tinggi sambil menjaga kestabilan ikatan mekanis dengan poros. Selongsong Kopling Roda Gigi Dan Antarmuka Roda Gigi Internal Itu sleeve, sometimes referred to as the selongsong kopling gigi or cangkang kopling , adalah komponen pusat yang menghubungkan dua hub di dalam rakitan kopling. Permukaan bagian dalam selongsong berisi gigi roda gigi dalam yang menyatu dengan gigi luar pada setiap hub. Itu sleeve functions as the torque transfer bridge between the driving hub and the driven hub. When the driving hub rotates, its gear teeth engage with the internal teeth of the sleeve, causing the sleeve to rotate. The rotating sleeve then transmits torque to the second hub, which drives the connected shaft. Itu internal gear teeth of the sleeve are typically designed with a slightly larger profile than the external hub teeth to allow proper meshing and controlled clearance. This clearance is necessary to accommodate shaft misalignment and axial movement during operation. Selongsong kopling roda gigi sering kali diproduksi sebagai a perakitan dua bagian atau a lengan satu potong tergantung pada desain kopling. Selongsong dua bagian memudahkan pemasangan dan pemeliharaan, terutama dalam sistem industri besar di mana pembongkaran mesin yang terhubung mungkin sulit dilakukan. Desain selongsong terpisah memungkinkan teknisi melepas atau mengganti selongsong tanpa mengganggu pemasangan hub pada poros. Pada kopling roda gigi berperforma tinggi, gigi roda gigi internal dibuat secara presisi untuk memastikan pola kontak yang akurat dan pergerakan rotasi yang mulus. Proses finishing permukaan seperti penggilingan atau pengasahan dapat diterapkan untuk memperbaiki geometri gigi dan mengurangi gesekan antara permukaan meshing. Itu sleeve must also withstand significant radial and tangential forces generated by torque transmission. As torque increases, the contact pressure between the hub teeth and sleeve teeth also increases. Therefore, the sleeve is typically constructed from hardened alloy steel capable of resisting wear, deformation, and fatigue under continuous load conditions. Dalam banyak desain kopling roda gigi, selongsong juga berfungsi sebagai ruang pelumasan . Gemuk atau oli pelumas terkandung di dalam rongga selongsong untuk memastikan gigi-gigi penyambung tetap terlumasi dengan baik selama pengoperasian. Volume internal selongsong memungkinkan pelumas bersirkulasi melintasi permukaan gigi gigi saat kopling berputar. Kopling Gigi Geometri Gigi Mahkota Itu geometry of the gear teeth plays a crucial role in the mechanical performance of a gear coupling. Unlike standard gear systems used for speed reduction or motion transmission, gear coupling teeth are specifically designed to accommodate shaft misalignment while maintaining consistent torque transfer. Itu external teeth on the hubs are typically designed with a profil yang dimahkotai , artinya permukaan gigi mempunyai bentuk agak melengkung sepanjang aksialnya. Bentuk mahkota ini memungkinkan gigi roda gigi tetap bersentuhan meskipun porosnya tidak sejajar sempurna. Ketika ketidakselarasan sudut terjadi antara dua poros, gigi bermahkota menggeser titik kontaknya sepanjang permukaan melengkung daripada memusatkan tegangan pada tepi gigi. Desain ini mengurangi konsentrasi tegangan lokal dan mencegah pembebanan tepi yang dapat menyebabkan kerusakan gigi. Itu crowned tooth design also allows the coupling to accommodate minor axial movement between shafts. Thermal expansion, load variations, and structural deflection can cause shafts to move slightly during operation. The curved tooth geometry enables the gear teeth to slide along each other while maintaining torque transmission. Perilaku kontak gigi dalam kopling roda gigi dipengaruhi oleh beberapa faktor teknik termasuk diameter pitch, sudut tekanan, modul gigi, dan permukaan akhir. Parameter ini dipilih dengan cermat untuk memastikan distribusi beban optimal di seluruh gigi roda gigi. Itu relationship between transmitted torque and the forces acting on the gear teeth can be represented by the following mechanical relationship. Dalam ungkapan ini, torsi dihasilkan oleh gaya tangensial yang bekerja pada radius tertentu dari pusat rotasi. Dalam kopling roda gigi, gigi roda gigi menyediakan permukaan kontak tempat gaya tangensial ditransfer antar komponen yang berputar. Geometri gigi yang tepat memastikan bahwa gaya tangensial didistribusikan ke beberapa gigi secara bersamaan. Pengikatan multi-gigi ini memungkinkan kopling roda gigi mengirimkan torsi yang jauh lebih tinggi dibandingkan dengan banyak desain kopling fleksibel lainnya. Segel Kopling Gigi Dan Sistem Penahan Pelumasan Pelumasan memainkan peran penting dalam pengoperasian kopling roda gigi karena gigi-gigi yang menyatu mengalami gerakan menggelinding dan meluncur selama rotasi. Tanpa pelumasan yang efektif, gesekan antar gigi dapat menyebabkan keausan berlebih, panas berlebih, dan kerusakan dini. Untuk menjaga pelumasan yang tepat, kopling roda gigi dilengkapi dengan sistem penyegelan yang menahan gemuk atau oli di dalam rakitan kopling sekaligus mencegah masuknya kontaminan. Segel ini biasanya dipasang pada antarmuka antara selongsong dan hub. Jenis seal yang umum digunakan pada kopling roda gigi meliputi seal bibir karet, seal O-ring, seal labirin, dan cincin penahan logam. Setiap metode penyegelan dipilih berdasarkan kondisi pengoperasian seperti kecepatan putaran, kisaran suhu, paparan lingkungan, dan interval perawatan. Segel bibir karet banyak digunakan pada peralatan industri berkecepatan menengah karena memberikan retensi pelumasan yang andal dan perlindungan kontaminasi yang efektif. Dalam aplikasi suhu tinggi atau tugas berat, bahan penyegel khusus dapat digunakan untuk menahan paparan bahan kimia atau degradasi termal. Itu lubrication system inside the gear coupling ensures that a protective film of lubricant remains between the contacting gear tooth surfaces. This lubricant film reduces friction and dissipates heat generated during torque transmission. Pelumasan gemuk umumnya digunakan pada kopling kecepatan rendah hingga menengah karena lebih mudah ditahan di dalam rumah kopling. Pelumasan oli dapat digunakan pada kopling roda gigi kecepatan tinggi yang memerlukan pembuangan panas dan sirkulasi cairan yang lebih baik. Perawatan pelumasan berkala diperlukan untuk memastikan kinerja kopling gigi yang konsisten. Seiring waktu, pelumas dapat rusak karena paparan suhu, kontaminasi, atau kerusakan mekanis. Mengisi ulang atau mengganti pelumas membantu menjaga kondisi pengoperasian gigi roda gigi yang optimal. Apa Keuntungan Utama Kopling Roda Gigi Dibandingkan Kopling Lainnya? Dalam sistem transmisi tenaga industri, pemilihan jenis kopling yang tepat secara langsung mempengaruhi efisiensi, keandalan, dan umur operasional peralatan. SEBUAH Kopling Gigi diakui secara luas sebagai salah satu solusi kopling paling kuat dan berkinerja tinggi untuk aplikasi tugas berat. Kopling roda gigi dirancang untuk menghubungkan dua poros yang berputar sekaligus mentransmisikan beban torsi tinggi, mengkompensasi ketidaksejajaran poros, dan menjaga kinerja mekanis yang stabil dalam kondisi pengoperasian yang berat. Dibandingkan dengan banyak jenis kopling lain yang digunakan pada mesin industri—seperti Kopling Rahang , Kopling Jaringan , dan Kopling Flange —kopling roda gigi menawarkan beberapa keunggulan teknik terkait kapasitas torsi, distribusi beban, toleransi ketidaksejajaran, daya tahan, dan keandalan mekanis. Keunggulan ini membuat kopling roda gigi sangat cocok untuk lingkungan industri berat seperti peralatan pertambangan, pabrik baja, sistem propulsi kelautan, pembangkit listrik, dan penggerak kompresor besar. Kapasitas Transmisi Torsi Tinggi Dari Gear Coupling Salah satu keuntungan paling signifikan dari kopling roda gigi adalah kapasitas transmisi torsinya yang luar biasa. Kopling roda gigi dirancang khusus untuk menangani beban torsi yang sangat tinggi dibandingkan dengan banyak jenis kopling fleksibel lainnya yang digunakan dalam sistem transmisi tenaga mekanis. Itu torque transmission capability of a coupling is largely determined by the contact area through which rotational force is transferred. In a gear coupling, torque is transmitted through the meshing interaction of multiple gear teeth between the hubs and the sleeve. Unlike elastomeric couplings or simple rigid couplings, gear couplings distribute the transmitted load across several gear teeth simultaneously. This multi-tooth engagement dramatically increases the load-bearing capacity of the coupling. Itu mechanical relationship between transmitted torque and tangential force can be represented as: Dalam hubungan ini, torsi dihasilkan ketika gaya tangensial bekerja pada radius tertentu dari sumbu rotasi. Dalam rakitan kopling roda gigi, gaya tangensial ini ditransmisikan melalui permukaan kontak gigi roda gigi yang terletak di sekitar diameter pitch kopling. Karena beberapa gigi berbagi beban secara bersamaan, tegangan yang bekerja pada masing-masing gigi berkurang secara signifikan. Jalur beban terdistribusi ini memungkinkan kopling roda gigi mengirimkan tingkat torsi yang jauh lebih tinggi tanpa melebihi batas tegangan ijin material. Oleh karena itu, kopling roda gigi biasanya digunakan dalam sistem penggerak daya tinggi yang memerlukan beban torsi besar dan memerlukan pengoperasian terus-menerus. Motor industri besar, turbin uap, dan pompa tugas berat sering kali mengandalkan kopling roda gigi untuk menghubungkan peralatan penggerak dengan mesin yang digerakkan. Dalam aplikasi ini, tingkat torsi bisa mencapai ribuan atau bahkan jutaan Newton-meter. Kekuatan struktural komponen kopling roda gigi memungkinkan komponen tersebut mempertahankan kinerja yang andal di bawah beban mekanis ekstrem ini. Sebaliknya, kopling berbasis elastomer seperti kopling rahang mengandalkan elemen karet fleksibel untuk menyalurkan torsi. Meskipun kopling ini memberikan peredam getaran yang sangat baik, kapasitas torsinya dibatasi oleh sifat mekanik bahan elastomer. Beban torsi tinggi dapat menyebabkan deformasi atau kegagalan elastomer, sehingga tidak cocok untuk aplikasi tugas berat. Kopling kaku seperti kopling flensa dapat menyalurkan torsi tinggi tetapi tidak dapat mentolerir ketidaksejajaran antar poros. Ketidakselarasan apa pun dapat menimbulkan tekanan yang signifikan pada poros dan bantalan. Kopling roda gigi menawarkan kapasitas torsi tinggi dan fleksibilitas terkendali, sehingga lebih cocok untuk sistem industri yang kompleks. Kemampuan Kompensasi Misalignment yang Unggul pada Kopling Roda Gigi Keuntungan utama lainnya dari kopling roda gigi adalah kemampuannya untuk mengakomodasi ketidaksejajaran poros sekaligus mempertahankan transmisi torsi yang efisien. Dalam instalasi industri nyata, mencapai keselarasan sempurna antara dua poros yang berputar sangatlah sulit karena toleransi pemasangan, pengendapan pondasi, ekspansi termal, dan defleksi struktural. Kopling roda gigi dirancang dengan gigi bermahkota , yang memungkinkan kopling mengkompensasi ketidaksejajaran sudut antara poros yang terhubung. Profil gigi berbentuk mahkota memungkinkan titik kontak antara gigi yang menyatu bergeser sepanjang permukaan melengkung ketika poros menyimpang dari keselarasan sempurna. Geometri ini mencegah pembebanan tepi dan memastikan torsi terus disalurkan dengan lancar. Ketidaksejajaran sudut terjadi ketika sumbu dua poros berpotongan agak miring dan tidak membentuk garis lurus sempurna. Kopling roda gigi biasanya dapat mengakomodasi ketidaksejajaran sudut mulai dari sekitar 0,5 derajat hingga 1,5 derajat tergantung pada desain dan ukuran spesifik kopling. Selain ketidaksejajaran sudut, kopling roda gigi juga dapat mentolerir ketidaksejajaran paralel dan perpindahan aksial dalam jumlah terbatas. Ketidaksejajaran paralel terjadi ketika poros tetap sejajar tetapi garis tengahnya diimbangi. Perpindahan aksial terjadi ketika jarak antar poros berubah selama operasi karena ekspansi termal atau variasi beban. Banyak mesin industri mengalami fluktuasi termal terus menerus selama pengoperasian. Ketika suhu meningkat, poros melebar dan posisi relatif peralatan yang terhubung mungkin sedikit bergeser. Kopling roda gigi memungkinkan pergerakan ini terjadi tanpa meneruskan tekanan berlebihan ke mesin yang terhubung. Kopling fleksibel seperti Kopling Jaringan juga mengakomodasi ketidaksejajaran sampai batas tertentu, namun toleransi ketidaksejajarannya mungkin lebih rendah dibandingkan kopling roda gigi saat mentransmisikan beban torsi tinggi. Kopling jaringan mengandalkan elemen pegas yang lentur saat menerima beban, sedangkan kopling roda gigi mempertahankan kontak mekanis yang kaku melalui gigi roda gigi yang diperkeras. Kopling kaku seperti Kopling Flange tidak bisa mentolerir ketidakselarasan sama sekali. Bahkan ketidaksejajaran kecil pada kopling kaku dapat menyebabkan beban bantalan yang berlebihan, pembengkokan poros, getaran, dan kegagalan peralatan prematur. Kopling roda gigi menghilangkan sebagian besar risiko ini dengan memberikan fleksibilitas mekanis yang terkendali. Umur Panjang Dan Daya Tahan Mekanik Yang Tinggi Dari Gear Coupling Kopling roda gigi dirancang untuk masa operasional yang lama di lingkungan industri berat. Daya tahannya sebagian besar disebabkan oleh bahan yang digunakan dalam konstruksinya, proses perlakuan panas yang diterapkan pada gigi roda gigi, dan sistem pelumasan yang melindungi permukaan kontak. Sebagian besar komponen kopling roda gigi dibuat dari baja paduan berkekuatan tinggi seperti baja kromium-molibdenum atau baja paduan nikel. Bahan-bahan ini menawarkan kekuatan mekanik yang sangat baik, ketahanan lelah, dan ketahanan aus. Setelah pemesinan, gigi roda gigi biasanya diberi perlakuan panas menggunakan proses seperti karburasi atau pengerasan induksi. Perawatan ini menciptakan lapisan permukaan yang diperkeras sehingga tahan terhadap keausan sekaligus mempertahankan inti interior yang kuat dan menyerap guncangan mekanis. Selama pengoperasian, gigi-gigi meshing mengalami kontak menggelinding dan meluncur. Pelumasan memainkan peran penting dalam mencegah gesekan berlebihan antara permukaan-permukaan ini. Kopling roda gigi dilengkapi dengan ruang pelumasan yang mengandung gemuk atau oli untuk menjaga lapisan pelindung di antara gigi roda gigi. Itu lubricant reduces friction, dissipates heat, and prevents metal-to-metal contact that could cause surface damage such as scoring, pitting, or galling. Proper lubrication significantly extends the service life of the gear coupling components. Dibandingkan dengan kopling elastomer, yang mengandalkan bahan polimer fleksibel yang terdegradasi seiring waktu, kopling roda gigi mempertahankan sifat mekanik yang konsisten sepanjang masa pakainya. Elemen elastomer dapat mengeras, retak, atau kehilangan elastisitas karena paparan suhu, kontaminasi bahan kimia, atau kelelahan mekanis. Kopling roda gigi tidak bergantung pada komponen elastomer untuk transmisi torsi, sehingga memungkinkannya beroperasi dengan andal di lingkungan industri yang keras. Sektor industri berat seperti produksi baja, operasi penambangan, dan sistem propulsi kelautan sering kali melibatkan pengoperasian terus-menerus di bawah beban tinggi. Dalam lingkungan seperti ini, waktu henti peralatan bisa sangat merugikan. Masa pakai yang lama dan daya tahan kopling roda gigi menjadikannya solusi pilihan untuk mempertahankan pengoperasian yang andal dalam kondisi yang menuntut seperti itu. Distribusi Beban Yang Efisien Dan Ketahanan Beban Kejut Pada Kopling Roda Gigi Keuntungan penting lainnya dari kopling roda gigi adalah kemampuannya untuk mendistribusikan beban secara efisien ke beberapa titik kontak. Ketika torsi disalurkan melalui kopling, beberapa gigi roda gigi bekerja secara bersamaan di sepanjang lingkar antarmuka kopling. Distribusi beban multi-titik ini mengurangi stres yang dialami oleh masing-masing gigi. Itu even distribution of mechanical load helps prevent localized stress concentrations that could lead to premature component failure. By sharing the transmitted force across multiple gear teeth, the coupling can safely handle both steady loads and sudden shock loads. Beban kejut terjadi ketika perubahan torsi secara tiba-tiba dimasukkan ke dalam sistem. Beban ini mungkin diakibatkan oleh akselerasi yang cepat, pengereman mendadak, gaya tumbukan, atau gangguan proses pada mesin yang digerakkan. Kopling roda gigi mampu menyerap beban tersebut tanpa kerusakan struktural karena kekuatan gigi roda gigi dan jalur beban yang terdistribusi. Peralatan industri seperti crusher, rolling mill, dan kompresor bolak-balik sering kali menghasilkan beban torsi yang berfluktuasi. Kekokohan mekanis dari kopling roda gigi memungkinkannya mempertahankan kinerja yang stabil dalam kondisi dinamis ini. Sebaliknya, kopling elastomer menyerap beban kejut dengan mengubah bentuk elemen fleksibel. Meskipun pendekatan ini memberikan peredam getaran, pembebanan kejut yang berulang dapat menyebabkan kelelahan atau robeknya bahan elastomer. Kopling roda gigi mengandalkan komponen logam yang diperkeras yang dapat menahan siklus tegangan berulang tanpa degradasi yang signifikan. Itu combination of strong materials, multi-tooth load distribution, and controlled lubrication allows gear couplings to operate reliably under both steady-state and dynamic loading conditions. This capability is particularly valuable in heavy industrial machinery where load fluctuations are common and mechanical reliability is essential. *]:pointer-events-auto scroll-mt-(--header-height)" data-scroll-anchor="false" data-testid="conversation-turn-11" data-turn="user" data-turn-id="958b910e-12b8-4ac1-94fd-4a0fa8afcda6" dir="auto" tabindex="-1"> *]:pointer-events-auto scroll-mt-[calc(var(--header-height) min(200px,max(70px,20svh)))]" data-scroll-anchor="true" data-testid="conversation-turn-12" data-turn="assistant" data-turn-id="request-WEB:26825dea-41d5-4641-9198-b9f6153842d5-5" dir="auto" tabindex="-1"> Dimana Gear Coupling Biasa Digunakan Dalam Aplikasi Industri? Itu Kopling Gigi banyak digunakan di berbagai sektor industri yang memerlukan transmisi torsi tinggi, akomodasi ketidaksejajaran poros, dan ketahanan operasional yang lama. Dalam sistem transmisi tenaga industri modern, mesin berputar sering kali beroperasi pada beban berat, torsi berfluktuasi, dan kondisi lingkungan yang keras. Kopling roda gigi memberikan koneksi mekanis yang kuat antara peralatan penggerak dan mesin yang digerakkan dengan tetap menjaga transfer daya yang efisien. Aplikasi industri sering kali melibatkan motor listrik besar, turbin, mesin diesel, dan penggerak hidrolik yang menyalurkan daya ke kompresor, pompa, konveyor, penghancur, dan berbagai peralatan proses. Kopling roda gigi berfungsi sebagai antarmuka yang menghubungkan alat berat ini sekaligus memastikan pengoperasian mekanis yang stabil. Desainnya memungkinkannya menahan beban torsi besar, mengakomodasi ketidaksejajaran poros kecil, dan beroperasi dengan andal di lingkungan bersuhu tinggi, bergetar tinggi, atau berdebu. Karena karakteristiknya ini, kopling roda gigi banyak ditemukan di industri seperti manufaktur baja, operasi penambangan, pembangkit listrik, penggerak kelautan, produksi semen, dan pemrosesan petrokimia. Masing-masing industri ini menghadirkan tantangan mekanis unik yang memerlukan solusi kopling yang mampu mempertahankan transmisi torsi dan stabilitas mekanis yang konsisten. Kopling Gigi Applications In Steel And Metallurgical Industries Itu steel and metallurgical industries represent one of the most demanding operating environments for mechanical power transmission systems. Steel production facilities rely on large-scale machinery such as rolling mills, blast furnace equipment, continuous casting machines, and slab handling conveyors. These machines operate under extremely high loads and often experience significant torque fluctuations during production processes. Kopling roda gigi sering kali digunakan untuk menghubungkan motor listrik atau turbin tugas berat ke penggerak rolling mill. Pabrik penggilingan memerlukan kontrol torsi yang presisi saat memproses pelat baja pada suhu tinggi dan tekanan mekanis tinggi. Beban mekanis yang dialami selama operasi pengerolan bisa sangat tinggi, dan kopling yang menghubungkan motor ke kotak roda gigi pabrik pengerolan harus menyalurkan torsi ini tanpa kegagalan. Dalam sistem rolling mill, motor besar menggerakkan gearbox reduksi yang mentransfer gerakan rotasi ke silinder rolling. Kopling roda gigi biasanya dipasang antara motor dan girboks serta antara girboks dan peralatan rolling. Kapasitas torsinya yang tinggi memungkinkannya menyalurkan daya yang diperlukan untuk mengubah bentuk billet atau pelat baja sambil mempertahankan keterlibatan mekanis yang stabil. Itu environment inside steel plants often includes elevated temperatures, metal dust, and continuous vibration generated by heavy machinery. Gear couplings are designed with hardened steel gear teeth and sealed lubrication systems that allow them to operate reliably in such conditions. The internal lubrication chamber protects the gear tooth surfaces from excessive wear, while the sealed structure prevents contaminants from entering the coupling assembly. Mesin pengecoran kontinyu yang digunakan dalam produksi baja juga mengandalkan kopling roda gigi untuk menghubungkan beberapa unit penggerak. Mesin-mesin ini mengangkut baja cair melalui zona pendinginan terkontrol untuk membentuk lempengan padat. Sistem penggerak mekanis yang mengontrol roller konveyor harus menjaga gerakan tersinkronisasi untuk memastikan kualitas pengecoran yang konsisten. Kopling roda gigi memberikan transmisi torsi andal yang diperlukan untuk pengoperasian tersinkronisasi ini. Selain rolling mill dan mesin pengecoran, kopling roda gigi juga digunakan pada konveyor pabrik baja, peralatan pengisian tungku, dan sistem penanganan terak. Mesin-mesin ini sering mengalami beban kejut yang besar ketika menangani bahan mentah atau produk baja jadi, sehingga kopling roda gigi menjadi pilihan yang tepat karena kemampuannya untuk mendistribusikan beban ke beberapa gigi roda gigi. Kopling Gigi Applications In Mining And Mineral Processing Equipment Operasi penambangan melibatkan sistem mekanis besar yang dirancang untuk mengekstraksi, mengangkut, dan memproses bahan mineral mentah. Peralatan yang digunakan di lingkungan pertambangan sering kali beroperasi di bawah beban yang sangat berat dan terkena debu, getaran, kelembapan, dan partikel abrasif. Kopling roda gigi biasanya dipasang di mesin pertambangan seperti penghancur, pabrik penggilingan, ekskavator roda ember, dan sistem penggerak konveyor. Alat berat ini memerlukan solusi kopling yang dapat menangani beban torsi tinggi dan kondisi pembebanan kejut yang sering terjadi. Peralatan penghancur yang digunakan dalam operasi penambangan memecah batu besar menjadi pecahan yang lebih kecil untuk diproses lebih lanjut. Penghancur menghasilkan gaya tumbukan yang tinggi saat memampatkan dan mematahkan material batuan. Sistem penggerak yang menggerakkan penghancur biasanya mencakup motor listrik besar yang dihubungkan ke kotak roda gigi melalui kopling roda gigi. Kopling ini harus menyalurkan torsi tinggi sekaligus menyerap guncangan mekanis yang dihasilkan selama siklus penghancuran. Itu mechanical torque required to drive grinding mills can be extremely large, especially in large-scale mining operations. Gear couplings provide the high torque capacity necessary to connect the mill motor to the gearbox or pinion gear system that drives the mill rotation. Lingkungan pertambangan biasanya ditandai dengan tingginya tingkat debu dan partikel abrasif. Kopling roda gigi yang digunakan di lingkungan ini sering kali dilengkapi sistem penyegelan canggih yang mencegah kontaminan memasuki ruang pelumasan. Perlindungan penyegelan ini membantu memperpanjang masa pakai komponen kopling dan mengurangi kebutuhan perawatan. Referensi / Sumber Panduan Teknis Kopling Roda Gigi Lovejoy, Inc. Downers Grove, IL: Dokumentasi Teknik Lovejoy, 2022. Perusahaan Rexnord. Pemilihan Kopling Gigi dan Panduan Aplikasi. Milwaukee, WI: Transmisi Tenaga Industri Rexnord, 2021. Menghindari Industri. Buku Pegangan Transmisi Tenaga Mekanik. Greenville, SC: Publikasi Teknik Industri Dodge, 2020. Budynas, R.G., & Nisbett, Desain Teknik Mesin J.K. Shigley. edisi ke-11. New York: Pendidikan McGraw-Hill, 2020. Bloch, HP, & Geitner, F.K. Analisis Kegagalan Mesin dan Pemecahan Masalah. edisi ke-4. Houston: Penerbitan Profesional Teluk, 2012.
  • 2026.01.09
    Kepala garpu sambungan universal roda gigi muka ujung dapat mencapai peningkatan ganda dalam kapasitas dan kualitas
    Sambungan universal roda gigi muka ujung yang dikirimkan oleh perusahaan kami baru-baru ini. Ini adalah komponen transmisi kunci. Inti mewujudkan transmisi torsi melalui penyatuan roda gigi muka ujung. Ini fitur instalasi dan pembongkaran yang nyaman, transmisi stabil, kapasitas torsi besar, dan dapat mengimbangi offset sudut antara dua sumbu. Hal ini dapat diterapkan secara luas pada sistem transmisi peralatan beban ringan dan berat seperti kendaraan energi baru, mesin konstruksi kelas atas, dan rolling mill. Untuk pertanyaan, silakan hubungi kami melalui Ponsel/whatsapp/Wechat: 86 15106109009
Peralatan Tanaman
TUR PABRIK